内容介绍
SPIRIT 2 Click 采用 SP1ML-915,这是一款超低功耗、完全集成的 RF 模块,工作在 915 MHz ISM 频段。该 Click board™ 可用于为任何应用添加无线连接,无需丰富的射频通信经验。该模块集成了所有必需的组件,包括 32 位 STM32L1 MCU、紧凑型芯片天线和随附电路。 SP1ML-915模块支持多种类型的调制方案,包括2-FSK、GFSK、GMSK、OOK和ASK,使其能够满足不同的射频传输要求。
SPIRIT 2 Click 由 mikroSDK 兼容库支持,其中包括简化软件开发的功能。
凭借极低的功耗、高集成度和简单的 UART 通信接口,Spirit 2 Click 可用于为各种不同的应用添加无线连接,包括数据采集设备、安全系统、家庭和楼宇自动化、无线传感器网络、无线计量等。它也是开发各种需要低功耗和无线连接的物联网应用的理想解决方案。
SPIRIT 2 Click 使用 SP1ML-915,这是一款来自 STMicroElectronics 的集成 MCU 的低功耗 RF 模块。该模块包含所有必要的组件,尺寸非常紧凑,仅为 14 x 13.4 x 2.5 毫米。 STM32L1 是一款集成 32 位 MCU,其设计时考虑到了最大限度的节能,提供了许多节能功能。这使得整个模块的功耗更低,数据速率高达 500 kbps。 RF 信号调制方案可满足任何 RF 传输要求,允许对范围和功耗进行微调。
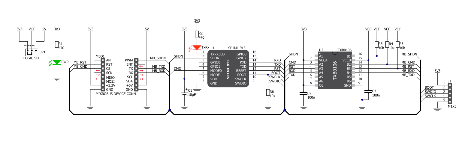
SP1ML-915 模块的主要功能是用作无线串行电缆的替代品。 Click board™ 具有 SWD 兼容编程头,允许将自定义固件上传到集成 MCU。但是,这可能会破坏工厂固件并使保修失效。
它提供简单的 UART 接口,并降低功耗,是添加无线连接的完美解决方案,尤其是物联网应用。由于该模块设计为无需丰富的射频通信经验即可使用,因此使用起来非常简单。 Click board™ 提供两种操作模式:操作模式和命令模式。
在操作模式下,模块将使用频率、数据速率、调制和输出功率的当前配置设置,通过 UART 接口从主机接收到的数据进行无线传输。此外,模块接收到的任何符合配置过滤标准的数据都将输出到 UART 接口。
命令模式允许配置 SP1ML-915 模块。当 Click board™ 接收到转义序列“ ”,且随后有至少 500 毫秒的 RX 不活动状态时,它将进入命令模式。通过使用一些简单的 AT 命令,开发人员可以配置设备的操作参数。 SP1ML-915 模块的数据表中提供了完整的 AT 命令列表。
除了使用上述转义序列之外,还可以通过将 Click board™ 的 CMD 引脚驱动至低逻辑电平来将模块置于命令模式。该引脚上的高逻辑电平将强制 Click board™ 进入操作模式。更改该引脚的状态后,应重置 Click board™。
要重置 SP1ML-915 模块,应向 Click board™ 的 RST 引脚施加低逻辑电平。当 RST 引脚上存在逻辑低电平时,SP1ML-915 模块将保持在复位模式。
Click board™ 的 SHD 引脚将通过在其上应用低逻辑电平来驱动 Click board™ 进入断电模式。高逻辑电平将唤醒器件。
数据流量由标记为 TX/RX 的 LED 指示。但是,应该启用该指标才能使用它。有关详细信息,请参阅 SP1ML-915 的数据表。
Click board™ 可与 3.3V 和 5V MCU 连接,无需任何外部组件。得益于 TXB0106 6 位双向电压电平转换器,Click board™ 可以轻松地与各种不同的 MCU 一起使用。
包含:
- 广播地区:美洲
- 接口:GPIO、UART
- 兼容性:mikroBUS™
- 尺寸:42.9 x 25.4 毫米
- 输入电压:3.3V或5V
