内容介绍
我们的许多 Qwiic 产品在待机时消耗的电流非常小,但有些产品消耗的电流要大得多。特别是像我们的高端 u-blox GNSS 板这样的产品。有时您希望将它们关闭以节省电量,而 Qwiic 电源开关 (QPS) 可以让您做到这一点!
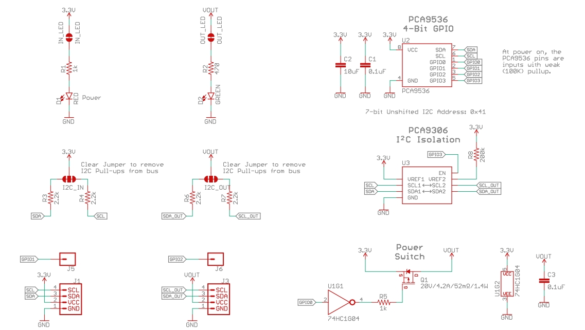
基于 PCA9536 4 位 I2C I/O 扩展器,QPS 可以完全断开任何连接的设备,因此您可以在需要时最大限度地减少电流消耗并延长电池寿命。
QPS 还包括一个 PCA9306 电平转换器,充当总线隔离器。想要在同一总线上混合使用 400kHz 和 100kHz I2C 设备? QPS 也能让您做到这一点!您可以在与速度较快的设备通话时隔离速度较慢的设备。执行此操作时,您可以让速度较慢的设备保持通电状态,或者完全关闭它们。这是你的选择。
如果这还不够,我们还断开了两个未使用的 GPIO 引脚,因此您也可以将它们用作项目的额外输入或输出!
我们的 Arduino 库包含一个全面的示例,向您展示如何:切换电源;隔离I2C总线;并使用那些额外的 GPIO 引脚。
将一些 QPS 与 SparkFun Qwiic Mux 配对,您现在不仅可以与共享相同 I2C 地址的多个设备通信,还可以有选择地关闭它们!
需要额外的 Qwiic 电缆吗?该套装涵盖了所有选项。
SparkFun Qwiic 连接系统是一个由 I2C 传感器、执行器、屏蔽和电缆组成的生态系统,可加快原型设计速度并不易出错。所有支持 Qwiic 的板均使用常见的 1 毫米间距、4 针 JST 连接器。这减少了所需的 PCB 空间,并且极化连接意味着您不会错误地连接它。
实验产品:SparkX 产品快速生产,为您带来最先进的技术。这些产品经过测试,但不提供任何保证。 SparkX 产品不提供实时技术支持。请前往我们的论坛寻求支持或提出问题。
包含:
- PCA9536
- 4 位 I2C 至并行端口扩展器
- 工作电压(VCC):2.3V至5.5V
- (注:Qwiic操作必须限制在3.3V)
- 工作温度:-40°C 至 85°C
- 400kHz 快速 I2C 总线
- 输入/输出配置寄存器
- 极性反转寄存器
- 内部上电复位
- 开机无故障
- 待机电流消耗(典型值):0.2μA
- I2C地址:0x41
- PCA9306
- 双路双向 I2C 总线电压电平转换器
- 无锁定隔离操作
- IN 和 OUT Qwiic 连接端口
- 2x 额外 GPIO 引脚
- IN 和 OUT 电源 LED
- 可以针对低功耗应用禁用
