内容介绍
内容介绍
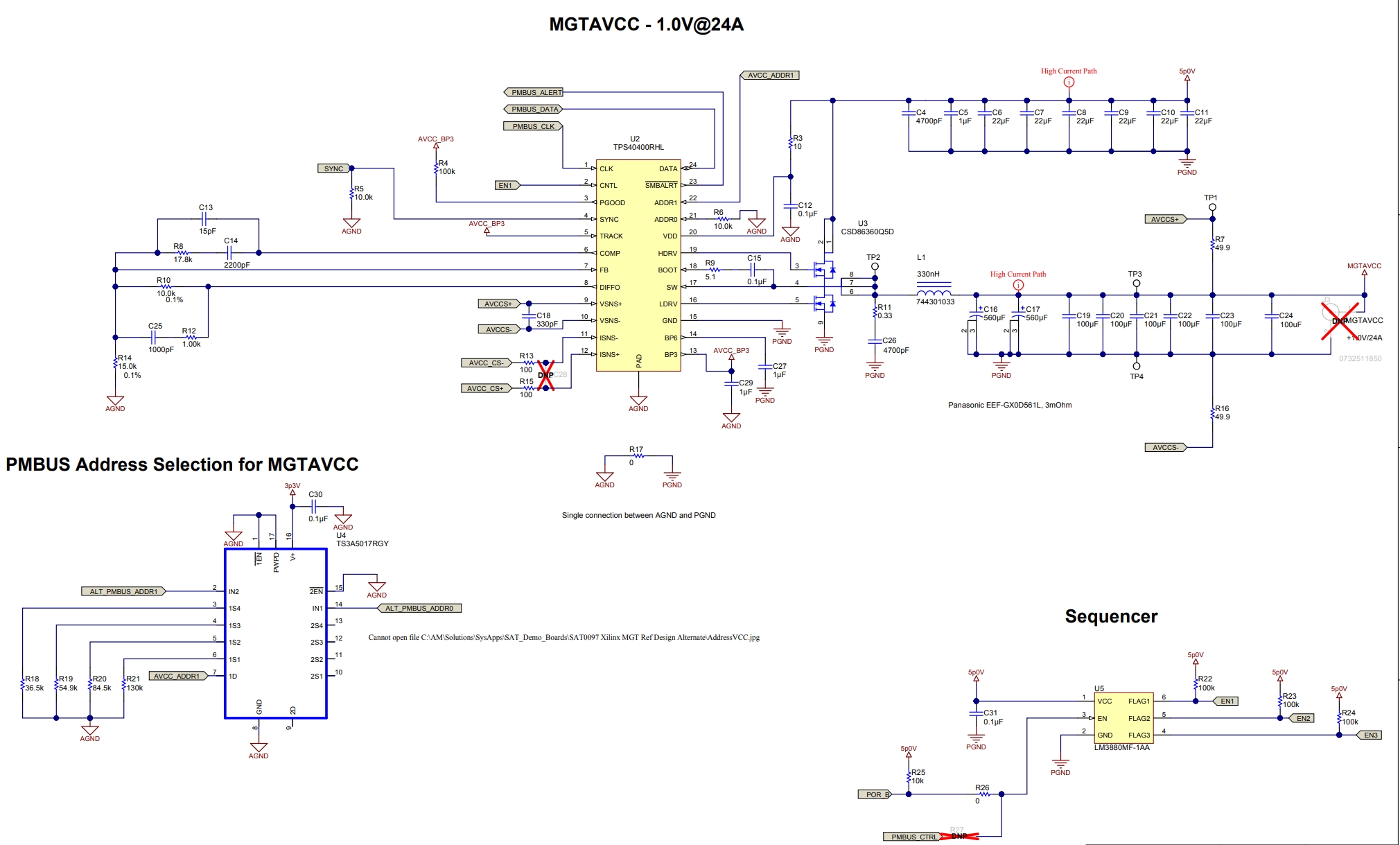
PMP9408 参考设计提供为 Xilinx 的 Virtex Ultrascale FPGA 中的千兆位收发器 (MGT) 供电时所需的所有电源轨。 它利用一个 PMBus 接口来实现电流和电压监控,并满足了 Xilinx 低输出电压纹波的需求。 此设计使用 5V 输入并可提供低成本分立解决方案。
特性
- 提供为 Xilinx Virtex® Ultrascale™ FPGA 中的 MGT 轨供电时所需的所有电源轨
- 设计已经过优化,可支持 5V 输入
- < 10mV 的低输出电压纹波
- 板载加电和断电排序
- 具有输出电压和电流报告功能的 PMBUS 接口
- 低成本分立解决方案
软硬件
元器件
附件下载
Bill of materials (BOM)-TIDRA16.pdf
Gerber file-TIDC558.zip
Schematic-TIDRA15.pdf
Support software-TIDC557.zip
原理图PDF
全屏
评论
0 / 100
查看更多





