内容介绍
Surface temp 2 Click 是一款紧凑型附加板,包含高精度温度传感器,可在广泛的工业温度范围内提供突破性的性能。该板采用 ADT7422,这是 Analog Devices 的 16 位 I2C 温度传感器。 ADT7422 具有精密 ADC,可在 25°C 至 50°C 范围内提供 16 位温度测量,分辨率为 0.0078 °C,精度为 ± 0.1 °C。此外,它不需要额外的校准。这使得 Surface Temp Click 成为 RTD 和热敏电阻更换、生命体征监测 (VSM)、食品运输和储存、环境监测、HVAC 和其他应用的绝佳选择。
Surface temp 2 Click 由 mikroSDK 兼容库支持,其中包括简化软件开发的功能。
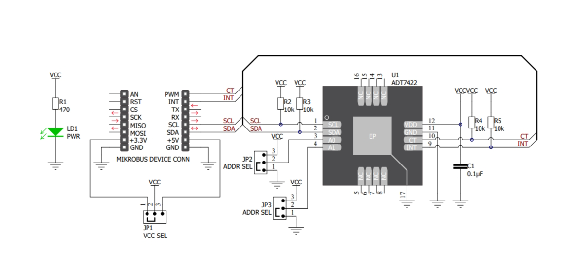
Surface temp 2 Click 基于 ADT7422,这是一款来自 Analog Devices 的高精度 16 位数字温度传感器,具有可编程中断和临界温度指示器。 ADT7422 在整个额定温度范围内具有高精度和线性度,无需用户进行校正或校准。工作电压为 3.3V,平均电源电流通常为 210μA。 ADT7420 具有关断模式,可关闭器件,并在 3.3 V 电压下提供通常为 2.0 μA 的关断电流。ADT7422 数字温度传感器旨在满足临床测温规范的 ASTM E1112 标准。该传感器用于生命体征监测 (VSM)、医疗设备、热电偶冷端补偿和激光二极管温度控制等应用。
此 Click board™ 具有一个感测垫,该感测垫与 ADT7422 热连接,用于温度感测。它使用 16 位 ADC 来监控温度并将其数字化至 0.0078°C 的分辨率。默认情况下,ADC 分辨率设置为 13 位 (0.0625°C)。内部温度传感器生成与绝对温度成比例的电压,该电压与内部参考电压进行比较并输入到精密数字调制器中。传感器输出由 Σ-Δ 调制器(也称为电荷平衡型 ADC)数字化。这种类型的转换器利用时域过采样和高精度比较器来提供 16 位分辨率。
Surface temp 2 Click 使用标准 I2C 2 线接口与 MCU 进行通信,最大频率为 400kHz。 ADT7422具有7位外设地址,前五个MSB固定为10010。地址引脚A0和A1由用户编程,并确定外设地址最后两个LSB的值,可以通过板载SMD跳线选择标记为 ADDR SEL,允许选择外设地址 LSB。
它还生成在 INT 引脚上路由的可编程中断信号(过温/欠温指示器)以及在 mikroBUS™ 插座的 PWM 引脚上路由的严重过温指示器 CT。这些引脚有两种过温/欠温模式:比较器模式和中断模式。中断模式是默认的过热模式,当温度高于内部定义的极限值时,该模式将 INT 引脚设置为高电平,而在比较器模式下,当温度低于该极限值时,INT 引脚将返回到非活动状态。如果发生严重过热事件,CT 引脚将被激活。
该 Click board™ 设计为可在 3.3V 和 5V 逻辑电压电平下运行,可通过 VCC SEL 跳线进行选择。这允许支持 3.3V 和 5V 的 MCU 正确使用 I2C 通信线路。
包含:
- 接口:I2C
- 兼容性:mikroBUS™
- 尺寸:42.9 x 25.4 毫米
- 输入电压:3.3V或5V
- 电源电压:最小。最大-0.3V 7V
- 正常模式功耗:700μW
- 分辨率:16位
- −40°C 至 125°C 的温度精度
