内容介绍
内容介绍
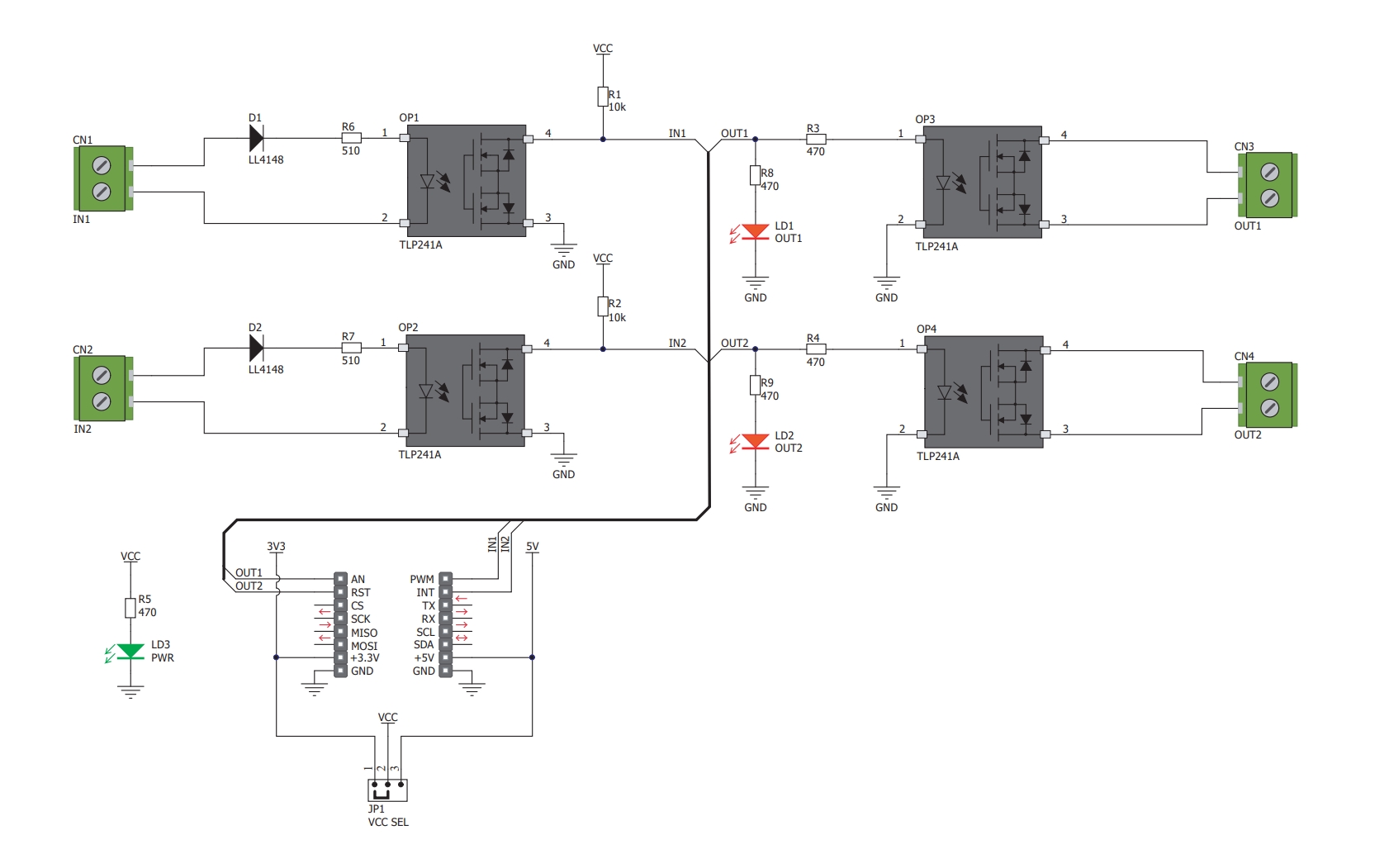
项目来源:MIKROE Opto 3 Click
包含:
- 接口:GPIO
- 兼容性:mikroBUS™
- 尺寸:57.15 x 25.4 毫米
- 输入电压:3.3V或5V
- 输入正向电流 (IF):最小。 5mA,典型值。最大 7.5mA 25毫安
- 峰值瞬态输入正向电流 (IFPT):2A
- 输出电流(IO):32V
- 工作温度:最低。最高-20℃ 65℃
附件下载
原理图文件-Schematic-19866-MIKROE_Opto_3_Click.pdf
原理图PDF
全屏
评论
0 / 100
查看更多
