内容介绍
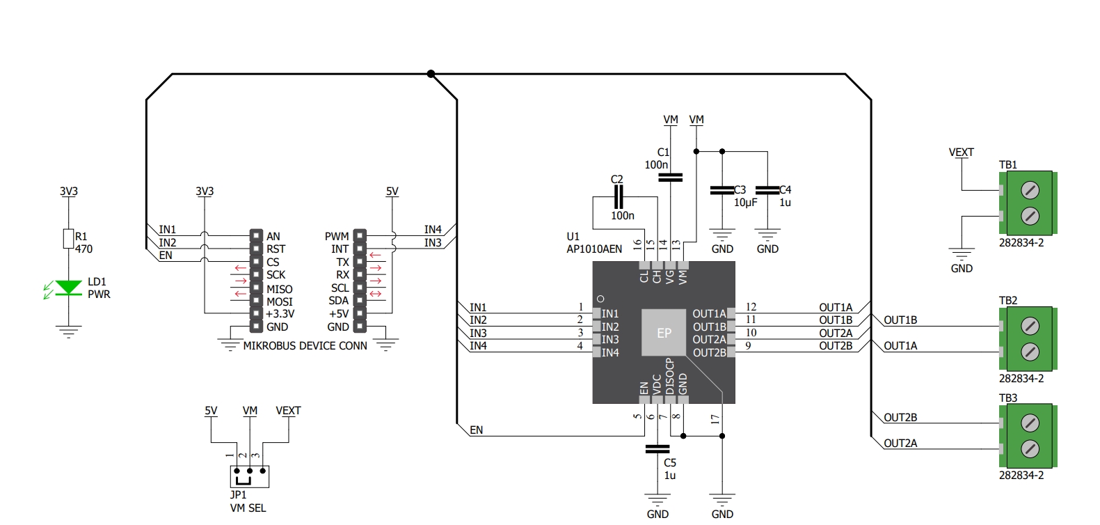
H-Bridge 4 Click 是一款包含 AP1010AEN 的 Click board™,AP1010AEN 是一款两通道 H 桥电机驱动器,兼容高达 18V 的电机工作电压,可驱动两个直流电机或一个步进电机。保护电路具有欠压锁定电路、热关断电路和过流保护电路,过流保护电路可以通过DIS OCP端子禁用。
H-Bridge 4 Click 支持多种连接选项,可用于不同的应用设置,其中可能包括直流或步进电机。
如前所述,H-Bridge 4 Click 的主要组件是 AsahiKASEI (AKM) 的 AP1010AEN,它是一款两通道 H-Bridge 电机驱动器,兼容电机工作电压高达该 IC 是一款高效的集成 H 桥驱动器,每个开关的 RDS ON 输出非常低。一般而言,H 桥允许电流沿一个或另一个方向流动。输出级由四个采用 H 桥配置的 n 沟道 MOSFET 组成。输出具有短路和过热保护。该桥使用输入 IN1、IN2、IN3 和 IN4 进行控制,这些输入分别连接至 mikroBUS™ 上的 AN、RST、INT 和 PWM 引脚。
电机工作电压范围为6.0V~18V,无需控制电源。最大输出电流 (DC) 为 0.7A @Ta=25°C,并且具有 H 桥导通电阻,等于 RON(TOP BOT) = 1.1Ω @Ta=25°C。 Click board™ 具有板载电机电压供应选择开关,但建议使用外部电源。 AP1010AEN 还具有并联、欠压锁定电路和热关断电路的可能性。当 DIS OCP 端子 = “H”且工作温度范围在 -30°C~85°C 之间时,过流保护电路被禁用。
当IC内部温度达到指定温度(TTSD=155°C)时,H桥驱动器输出Hi-Z。当检测后内部温度降低约30°C(TTSDHYS)时,驱动器恢复运行。重启温度 = TTSD - TTSDHYS
当2.6A或以上的电流持续流向H桥驱动器10μs时,所有H桥驱动器输出均设置为Hi-Z,并在200ms后自动返回。将DIS OCP 端子设置为L 电平即可使用过流保护电路。不使用过流保护电路时,请将 DIS OCP 端子连接至 VDC 端子。
包含:
- 接口:GPIO
- 兼容性:mikroBUS™
- 尺寸:42.9 x 25.4 毫米
- 输入电压:3.3V、5V
