内容介绍
内容介绍
开发套件附带提高生产力的完整开发工具套件AX5045 由开发套件DVK-2 支持。这是一个完整且灵活的现成解决方案,可轻松测试、评估和开发安森美半导体射频 IC。它适合使用专业实验室设备进行实际性能测试以及应用程序代码开发。 DVK-2 基于 AX8052F100 MCU,提供 AX-RadioLab GUI 以及先进的图形集成开发环境 AX8052-IDE 以及可免费使用的 SDCC C 编译器。 (注意:虽然此附加组件与所有现有的 DVK-2c AXDBG 兼容,但请使用 DVK-2c V1.10(或更高版本)和 AXDBG-2 V2.6(或更高版本)以获得最大输出功率下的最佳性能) 。
软硬件
元器件
AX5045-1-TW30
应用领域:通用 ISM<1GHz 频率范围:60MHz~1.05GHz 数据速率:200Kbps 灵敏度:-133.5dBm 接口:SPI Ultra-Low Power Narrow-Band Sub GHz (60 - 1050 MHz) RF Transceiver with Integrated +23 dBm High Power Amplifier
附件下载
PCB生产文件-add5045-915-1-gevk_gerber.zip
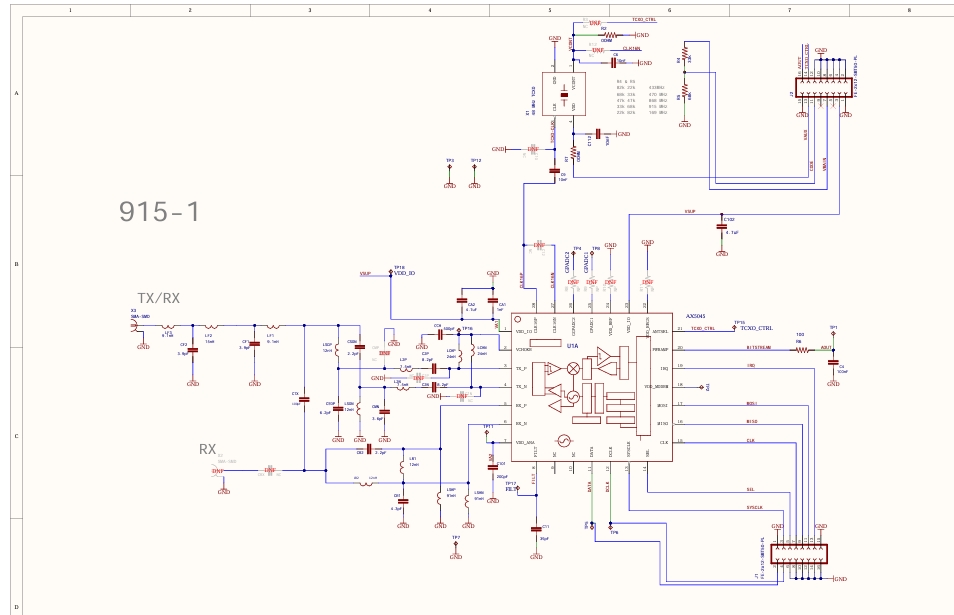
原理图-add5045-915-1-gevk_schematic.pdf
物料清单文件-add5045-915-1-gevk_bom_rohs.pdf
原理图PDF
全屏
评论
0 / 100
查看更多
