内容介绍
内容介绍
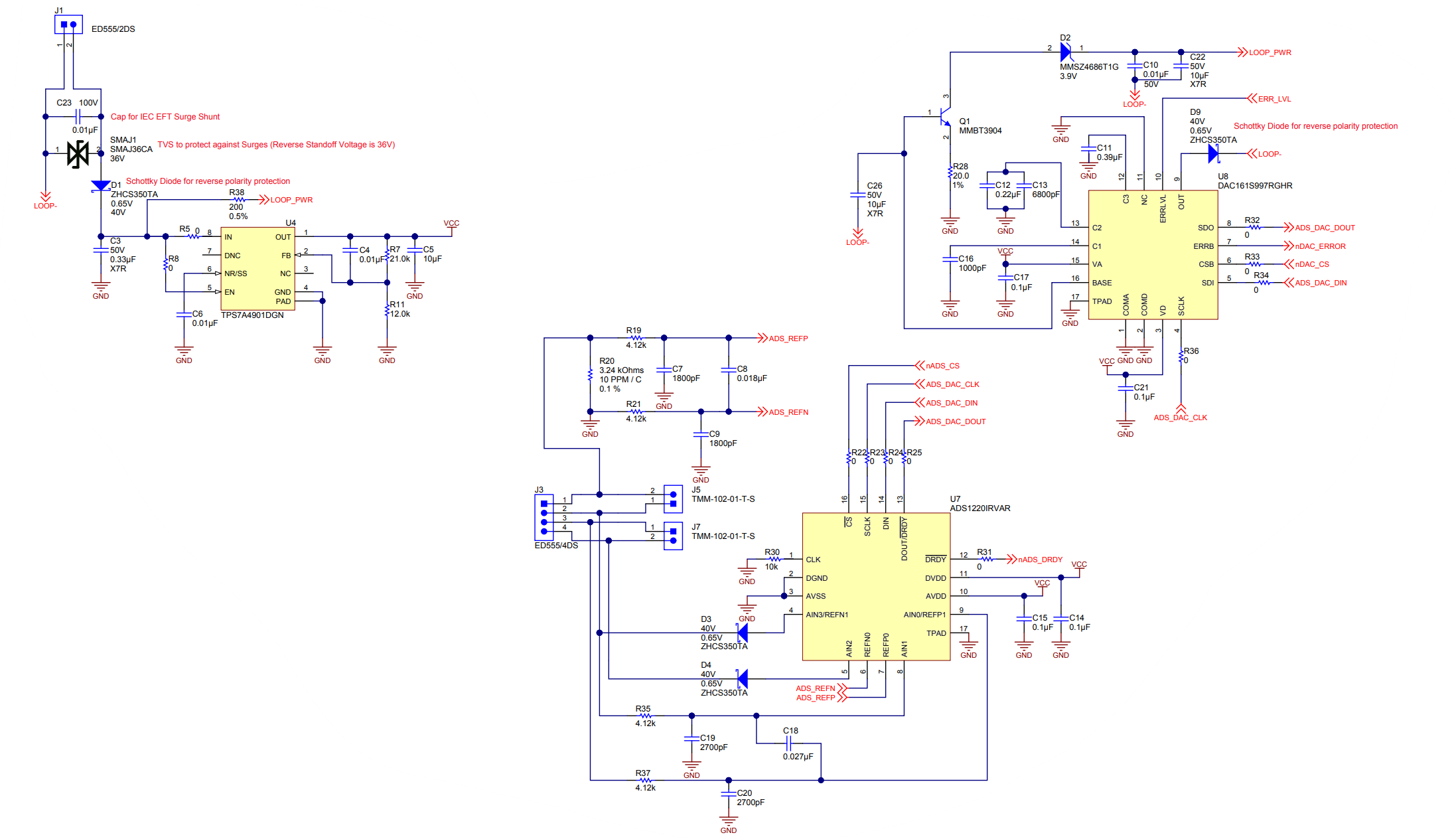
此全面设计提供完整的系统,可测量和处理来自 2 线、3 线和 4 线电阻式温度检测器 (RTD) 的温度信号输入,并输出与来自 RTD 输入的所处理的温度相对应的 4 至 20 mA 电流回路信号。它用作参考设计,用于工厂自动化、场发射器和建筑自动化中的流程测量应用。此设计在 -200°C 至 850°C 范围内的最大测量误差低于 0.17°C,具有极低回路功耗 1.4mA(通常包括 RTD 偏置电流)并经过 IEC61000 预认证测试,可显著降低高精度温度传送器系统开发的设计时间。它还可以处理系统级校准(偏差和增益),并进行实施以提高 ADC 和 DAC 精度,另外还包括线性插值以处理 RTD 元件的非线性度。
特性
- 输入与 2 线、3 线和 4 线 RTD 探针兼容
- 1.4 mA 的低功耗(包括 RTD 偏置电流)使其适用于回路供电系统
- 4-20 mA 电流回路信号输出,分辨率为 0.25 µA
- 最大测量误差:0.11°C(-200°C 至 200°C),0.17°C(-200°C 至 850°C)
- IEC61000-4-2:ESD:空气放电:±8 kV,A 类,接触放电 ±4 kV,A 类
- IEC61000-4-4:EFT:±2 kV,A 类。
附件下载
Assembly drawing-TIDU214.pdf
Assembly drawing-TIDU215.pdf
Bill of materials (BOM)-TIDR390.zip
Gerber file-TIDC269.zip
PCB layout-TIDU212.pdf
Reference Guide-ZHCU111A.pdf
Schematic-TIDR389.pdf
原理图PDF
全屏
评论
0 / 100
查看更多
