内容介绍
内容介绍
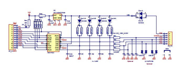
NCV7424V1GEVB 是一款专为评估 ON Semiconductor 四通道 LIN 收发器 NCV7424 而设计的评估板。这款评估板提供了基本的连接,便于快速便捷地评估 LIN 收发器,并且配备了板载 5V LDO 用于 RxD1-4 的上拉电阻和 EN 输入的供电。它具有两个单排针脚插座,可以轻松地将评估板插入到更复杂的应用设置中。此外,评估板还设计有标准的 LIN 主节点终端和可选的 ESD 保护位置,旨在以最小的材料成本和紧凑的电路板尺寸,实现高效的评估过程。
附件下载
使用说明文件-evbum2602-d.pdf
评论
0 / 100
查看更多
