内容介绍
内容介绍
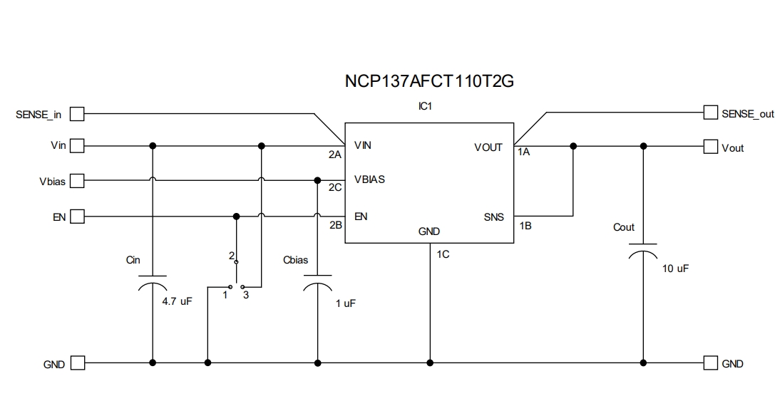
该演示板支持采用 WLCSP6 1.2 x 0.8 mm 封装的偏置轨 LDO 稳压器 NCP137,输出电压为 1.1 V,偏置电压范围为 2.5 V 至 5.5 V。它是一款 700 mA 极低压差器件,配备 NMOS 传输晶体管和一个单独的偏置电源电压轨。该器件提供非常稳定、精确的输出电压和低噪声,适合空间受限、噪声敏感的应用。为了优化电池供电便携式应用的性能,NCP137 具有低 IQ 消耗的特点。该设备可带或不带主动放电功能。尺寸:50mm x 50mm x 12mm
附件下载
PCB生产文件-ncp137afct110t2gevb_gerber.zip
原理图-ncp137afct110t2gevb_schematic.pdf
物料清单文件-ncp137afct110t2gevb_bom_rohs.pdf
原理图PDF
全屏
评论
0 / 100
查看更多
