内容介绍
内容介绍
项目来源:单端输入至差动输出转换电路参考设计
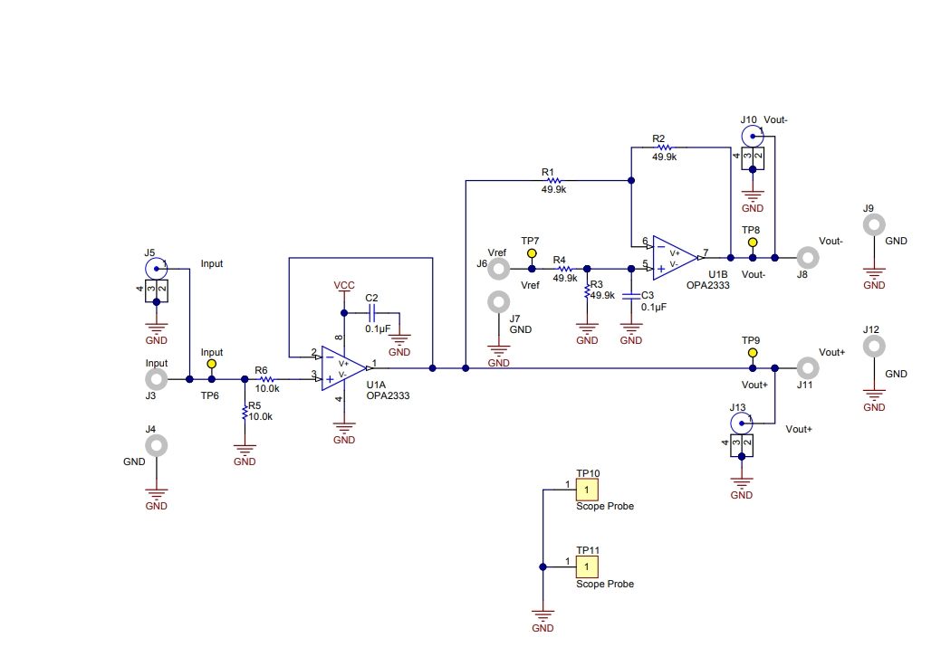
此 TI 精密验证设计为特定差动输出电路的单端输入提供了原理、组件选择、仿真、PCB 设计和测量细节,其中的差动输出电路可将 +0.1V 至 +2.4V 的单端输入转换为 +2.7V 单电源上的 ± 2.3V 差动输出。输出范围经特别限定以使其线性度最大化。此电路包括 2 个放大器。一个放大器充当缓冲器,创建电压 Vout+。第二个放大器使输入反向并增加基准电压以产生 Vout-。Vout+ 和 Vout- 的范围均为 0.1V 至 2.4V。电压差 Vdiff 是 Vout+ 与 Vout- 之间的差值。这将使差动输出电压范围 +2.3V。此 TI 精密验证设计为特定差动输出电路的单端输入提供了原理、组件选择、仿真、PCB 设计和测量细节,其中的差动输出电路可将 +0.1V 至 +2.4V 的单端输入转换为 +2.7V 单电源上的 ± 2.3V 差动输出。输出范围经特别限定以使其线性度最大化。此电路包括 2 个放大器。一个放大器充当缓冲器,创建电压 Vout+。第二个放大器使输入反向并增加基准电压以产生 Vout-。Vout+ 和 Vout- 的范围均为 0.1V 至 2.4V。电压差 Vdiff 是 Vout+ 与 Vout- 之间的差值。这将使差动输出电压范围 +2.3V。
特性
- 100kHz 小信号带宽
- 低功耗:100mA 电流消耗
- ±0.1% FSR Vdiff 未校准误差
- ±0.01% FSR Vdiff 校准误差
- 在 +1.25V Vcm 时将 0.1V - 2.4V 输入转换为 ±2.3V 输出
附件下载
Bill of materials (BOM)-TIDR114.pdf
Gerber file-TIDC008.zip
Reference Guide-TIDU038.pdf
Schematic-TIDC037.zip
Schematic-TIDR113.pdf
Support software-TIDC066.zip
Support software-TIDC067.zip
原理图PDF
全屏
评论
0 / 100
查看更多
