内容介绍
内容介绍
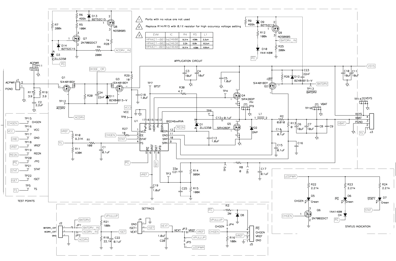
项目来源:多节同步开关模式充电器的参考设计
该参考设计采用 bq24600,是一款高度集成的锂离子或锂聚合物开关模式电池充电控制器解决方案。其支持高度集成的开关模式电池充电控制器,专门设计用于为磷酸锂电池化学物充电。该设计中包含高度集成的超级电容器开关模式充电控制器,可提供恒定频率的同步 PWM 控制器(带有高精度的充电电流和电压调节、适配器电流调节、终止、充电预处理和充电状态监控功能)。该设计分三个阶段对电池进行充电:预处理、恒定电流和恒定电压。当电流达到最低的用户可选级别时,充电将终止。可编程充电定时器可以为充电终止提供安全备份。当电池电压降至低于内部阈值时,该设计将自动重新启动充电周期;而当输入电压降至低于电池电压时,则将进入低静态电流睡眠模式。该参考设计采用 bq24600,是一款高度集成的锂离子或锂聚合物开关模式电池充电控制器解决方案。其支持高度集成的开关模式电池充电控制器,专门设计用于为磷酸锂电池化学物充电。该设计中包含高度集成的超级电容器开关模式充电控制器,可提供恒定频率的同步 PWM 控制器(带有高精度的充电电流和电压调节、适配器电流调节、终止、充电预处理和充电状态监控功能)。该设计分三个阶段对电池进行充电:预处理、恒定电流和恒定电压。当电流达到最低的用户可选级别时,充电将终止。可编程充电定时器可以为充电终止提供安全备份。当电池电压降至低于内部阈值时,该设计将自动重新启动充电周期;而当输入电压降至低于电池电压时,则将进入低静态电流睡眠模式。
特性
- • 串联电池数:1S 至 6S
- • 最大输入电压:28V
- • 最大充电电流:10A
- • 拓扑:开关模式
附件下载
Bill of materials (BOM)-TIDR054.pdf
PCB layout-TIDU086.pdf
Schematic-TIDR053.pdf
原理图PDF
全屏
评论
0 / 100
查看更多
