内容介绍
内容介绍
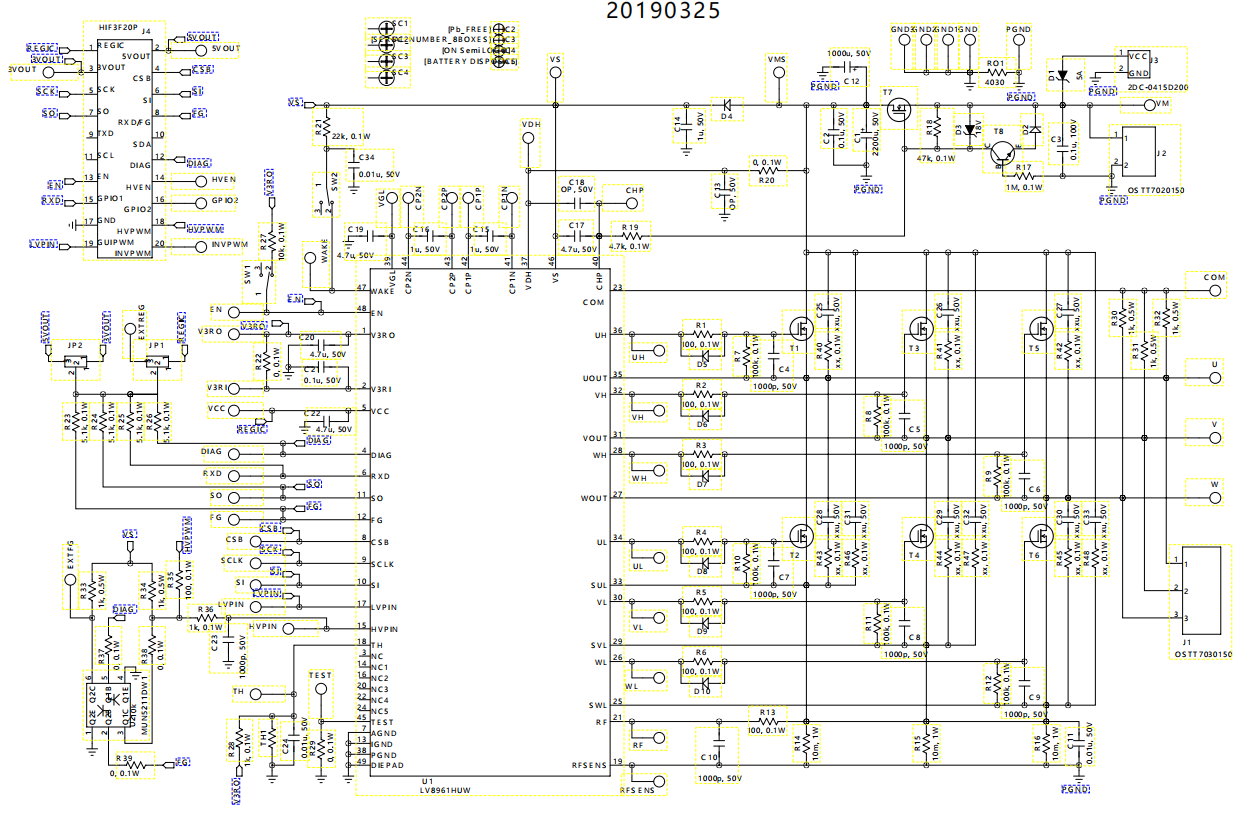
LV8961HUW是一款高性能的正弦波无传感器三相无刷直流(BLDC)电机控制器,专为汽车应用设计。这款芯片具备预驱动器,并且集成了两级电荷泵,能够为超低导通电阻(Rdson)的NFET提供充足的栅极驱动电流。它具备全面的系统保护和诊断功能,包括过流、过压、短路、欠压和过温保护。LV8961HUW支持开环和闭环速度控制,并且用户可以配置启动模式、速度设定以及比例-积分(PI)控制参数,适用于多种电机和负载组合。此外,该芯片还内置了线性稳压器和看门狗定时器,以供电给外部电路,并且通过SPI接口支持参数配置和系统状态监控。LV8961HUW能够在高达175°C的工作结温下运行,非常适合用于独立的汽车和工业BLDC电机控制应用。
附件下载
PCB生产文件-lv8961huwgevk_gerber.zip
原理图-lv8961huwr2gevk_schematic.pdf
物料清单文件-lv8961huwgevk_bom_rohs.pdf
原理图PDF
全屏
评论
0 / 100
查看更多
