内容介绍
内容介绍
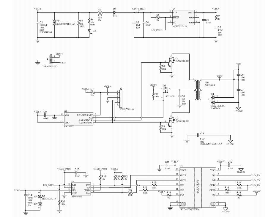
Microchip Technology Inc. 推出的高压辅助电子保险丝(E-Fuse)技术,专为混合动力电动汽车(HEV)和电动汽车(EV)等高电压应用环境设计。该技术演示器利用了Microchip的700V和1200V硅碳化硅(SiC)产品,提供了全面的系统解决方案。具备时间电流特性(TCC)曲线,有助于将技术应用于直流固态断路器等非汽车领域。主要特点包括:可配置的电流限制配置文件,允许用户根据需求调整电流限制设置。支持LIN通信接口,便于配置和诊断。兼容高侧和低侧驱动配置,提供设计灵活性。短路耐受时间达到10微秒,确保电路安全。额定电流高达30A,适用于高电流应用。低压工作范围从9V至16V,而高压工作范围则为200V至900V,满足不同电压需求。工作温度范围在-40°C至85°C,适应各种环境条件。采用汽车级硬件设计,所有组件均符合AEC标准。此外,该设计包含六种变体,支持400V和800V的总线电压以及10A、20A和30A的连续电流额定值。适用于电动汽车、混合动力汽车、直流智能电网、工业和充电站等多种应用场景。
附件下载
使用说明文件-Auxiliary-E-Fuse-User-Guide-DS50003368.pdf
评论
0 / 100
查看更多
