内容介绍
内容介绍
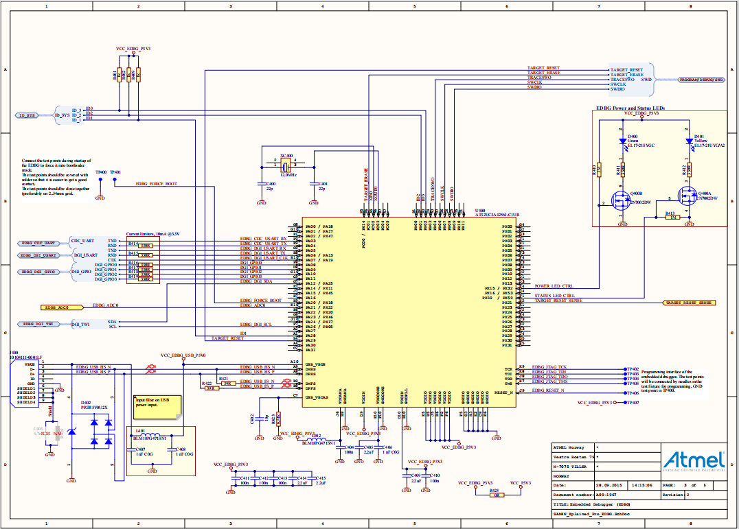
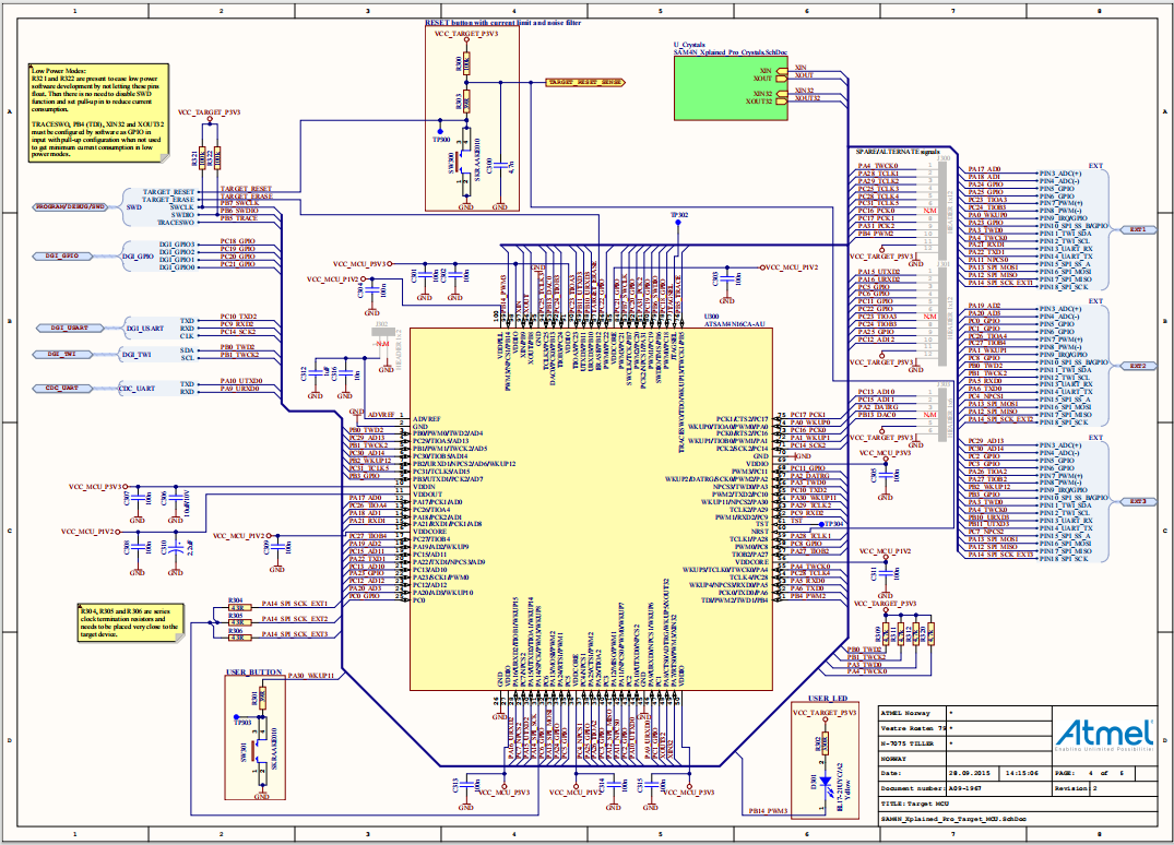
SAM4N Xplained Pro 评估套件是一个用于评估 ATSAM4N16C 微控制器的硬件平台。在集成开发平台 Atmel Studio 的支持下,该套件可轻松访问 SAM4N 的功能,并说明如何在客户设计中集成该器件。Xplained Pro 评估套件可以通过将 Xplained Pro 扩展套件连接到它们来扩展其功能。
特性:
- ATSAM4N16微控制器
- 一个复位按钮
- 一个黄色用户 LED
- 单用户按钮 - 唤醒、引导加载程序条目或通用
- 32.768kHz晶振
- 12MHz晶振
- 3 个 Xplained Pro 扩展接头
- 3 备用信号连接器
- 嵌入式调试器
- 用于 Atmel Studio 中电路板识别的自动 ID
- 一个黄色状态 LED
- 一个绿板电源 LED
- 复杂数据类型的符号调试,包括范围信息
- 编程
- 数据网关接口:USART、TWI 和 4 个 GPIO
- 虚拟 COM 端口 (CDC)。
- USB供电
- 受 Atmel 软件框架中的应用示例支持
附件下载
Atmel-42104-SAM4N-Xplained-Pro_User-Guide.pdf
Bill of Materials Fitted-SAM4N_Xplained_Pro_release_rev2.xls
CAD_source_rev2.zip
Gerber.zip
SAM4N_Xplained_Pro_design_documentation_release_rev2.pdf
原理图PDF
全屏
评论
0 / 100
查看更多
