SAM E70 XPLAINED ULTRA 评估套件
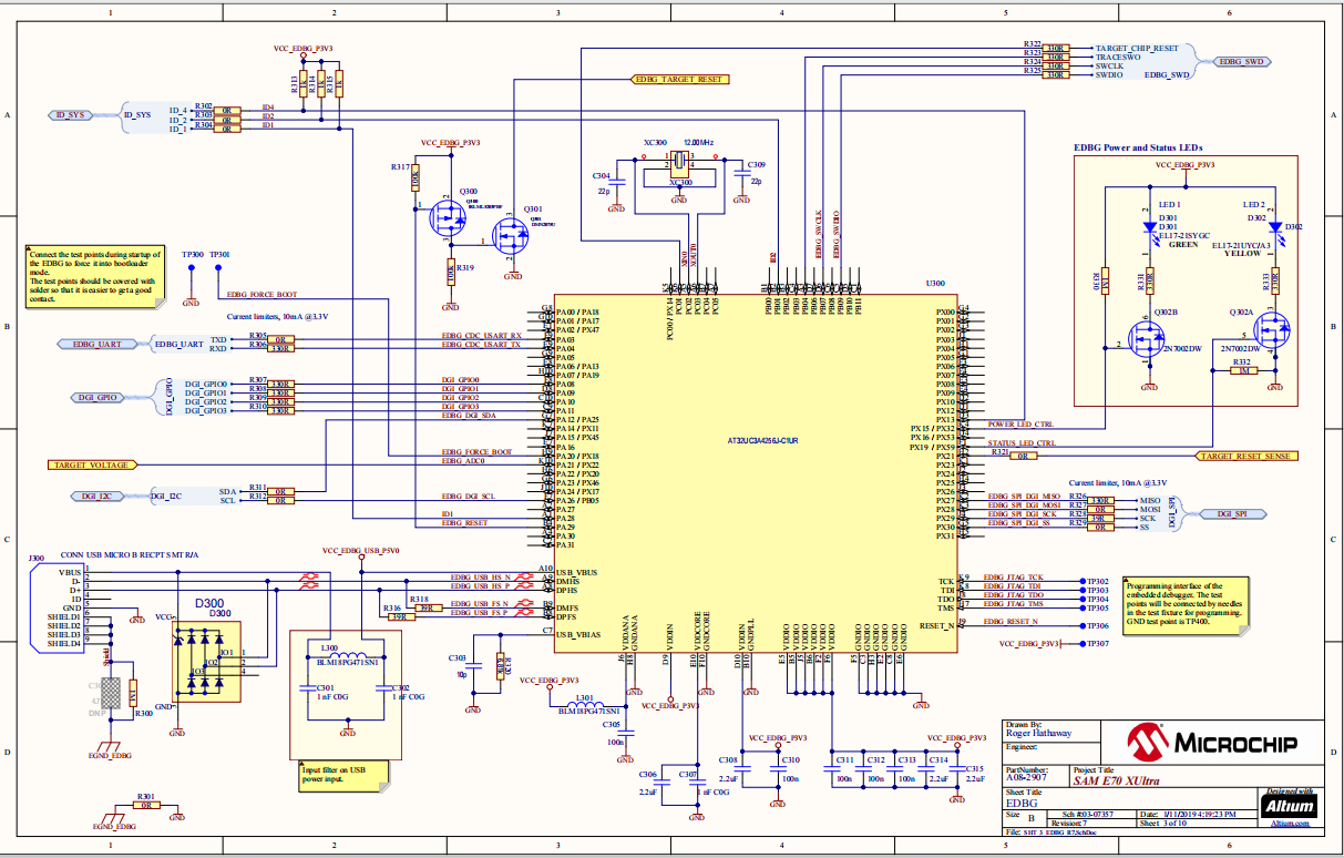
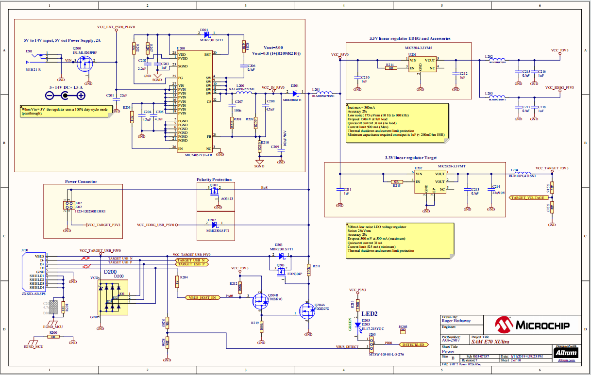
SAM E70 Xplained Ultra 评估套件是一个硬件平台,用于评估微控制器 (MCU) 的 ATSAME70 和 ATSAMS70系列。它由我们免费使用的 MPLAB Harmony v3 嵌入式软件开发框架提供支持,该框架在 MPLAB®® X 集成开发环境 (IDE) 中运行。 特性: ATSAME70Q21B微控制器 皮层 –M7 最大速度:300MHz 闪存:2048KB 记忆体: 384KB 记忆 QSPI:32Mbit (4MB) 串行EEPROM,带MAC地址 接口: Arduino Mega 接口 X32+ Mirko接口 模块化以太网接口(RMII + SPI) 模块化图形接口 图像传感器接口接头 (ISI) 分机1/2 板载调试器(EBDG + DGI 接口) CAN接口 Micro SD卡接口 1 用户按钮 1 个用户 LED 兼容 5-14V 输入  
标签
嵌入式系统开发平台
MCU
Microchip Technology Inc.
更新2024-01-17
359

内容介绍

SAM E70 Xplained Ultra 评估套件是一个硬件平台,用于评估微控制器 (MCU) 的 ATSAME70 和 ATSAMS70系列。它由我们免费使用的 MPLAB Harmony v3 嵌入式软件开发框架提供支持,该框架在 MPLAB®® X 集成开发环境 (IDE) 中运行。

特性:

ATSAME70Q21B微控制器

  • 皮层 –M7
  • 最大速度:300MHz
  • 闪存:2048KB
  • 记忆体: 384KB

记忆

  • QSPI:32Mbit (4MB)
  • 串行EEPROM,带MAC地址

接口:

  • Arduino Mega 接口
  • X32+ Mirko接口
  • 模块化以太网接口(RMII + SPI)
  • 模块化图形接口
  • 图像传感器接口接头 (ISI)
  • 分机1/2
  • 板载调试器(EBDG + DGI 接口)
  • CAN接口
  • Micro SD卡接口
  • 1 用户按钮
  • 1 个用户 LED
  • 兼容 5-14V 输入

 

软硬件
元器件
MIC5504-3.3YM5-TR
带使能下拉和自动放电功能的单路300mA LDO
MIC24052YJL-TR
19V/6A 降压稳压器,支持HyperLight Load®技术
ATSAME70Q21B-ANT
ATSAME70Q21
AT32UC3A4256S-C1UR
AT32UC3A4256S
MIC5528-3.3YMT-T5
单路3.3V输出、500mA低压差稳压器,具备自动放电及内部使能下拉功能
附件下载
SAME70_Xplained_Ultra_Evaluation_User'sGuide_DS70005389B.pdf
Gerbers.zip
CAD_source_R7.zip
Schematic_SAM_E70_XUltra_R7.PDF
原理图PDF
全屏
评论
0 / 100
查看更多
硬禾服务号
关注最新动态
0512-67862536
info@eetree.cn
江苏省苏州市苏州工业园区新平街388号腾飞创新园A2幢815室
苏州硬禾信息科技有限公司
Copyright © 2024 苏州硬禾信息科技有限公司 All Rights Reserved 苏ICP备19040198号