内容介绍
内容介绍
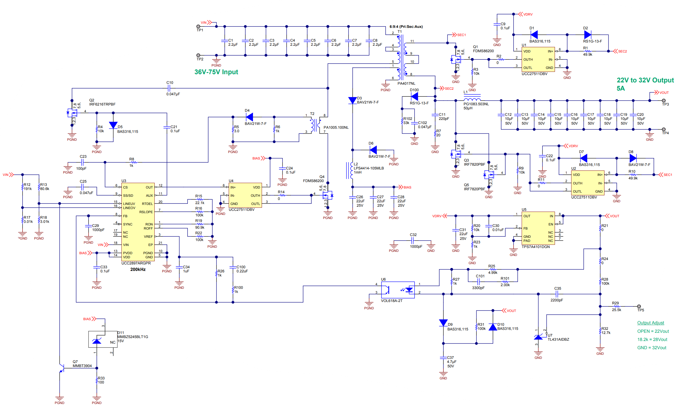
该参考设计从 36V 至 75V 电信输入生成 28V/5A 输出。 UCC2897A 控制有源钳位正激转换器功率级。输出在22V至32V范围内可调。 UCC27511 用于驱动同步整流器,并提供高效设计。该设计布置在电路板上,其引脚布局与 1/4 砖足迹兼容,并实现了超过 94% 的效率。它仅使用表面贴装元件,包括陶瓷输出电容器。
附件下载
Bill of materials (BOM)-SLURAM0.pdf
Gerber file-SLUC510.zip
PCB layout-SLUUAU7.pdf
Schematic-SLURAL9.pdf
原理图PDF
全屏
评论
0 / 100
查看更多
