内容介绍
内容介绍
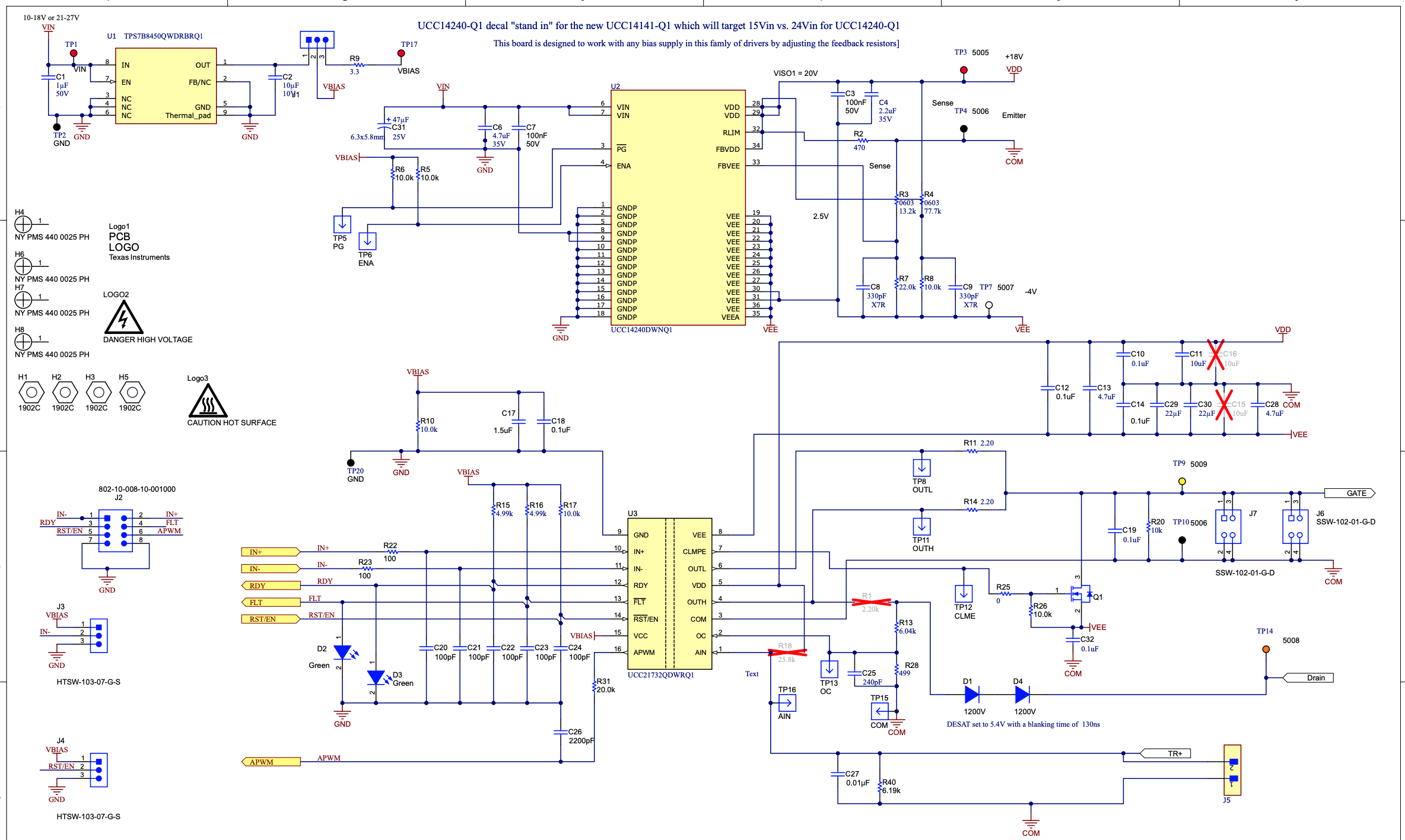
此参考设计展示了 UCC21732 栅极驱动器与 UCC14xxx 系列辅助电源的组合。此设计可用于驱动各种功率管,包括直接连接到 Wolfspeed 碳化硅 (SiC) 场效应晶体管 (FET) 模块。此参考设计可用作高侧或低侧驱动器,也可使用容性模拟负载进行测试。UCC14240-Q1、UCC14141-Q1 和 UCC14341-Q1 都是集成辅助电源的直接替代产品,每个产品都具有不同的目标输入电压和输出功率。UCC14240-Q1、UCC14141-Q1 和 UCC14341-Q1 都是集成辅助电源的直接替代产品,每个产品都具有不同的目标输入电压和输出功率。
特性
- +18V 和 -4V、1.5W 隔离式辅助电源
- 驱动各种电源开关
- 10A 拉电流和灌电流栅极驱动强度
- 可调节去饱和保护
- 隔离式模拟检测
附件下载
Assembly drawing-TIDMAI9.pdf
Bill of materials (BOM)-TIDMAI8.pdf
Gerber file-TIDCG77.zip
PCB layout-TIDMAJ0.pdf
Schematic-TIDMAI7.pdf
原理图PDF
全屏
评论
0 / 100
查看更多
