内容介绍
内容介绍
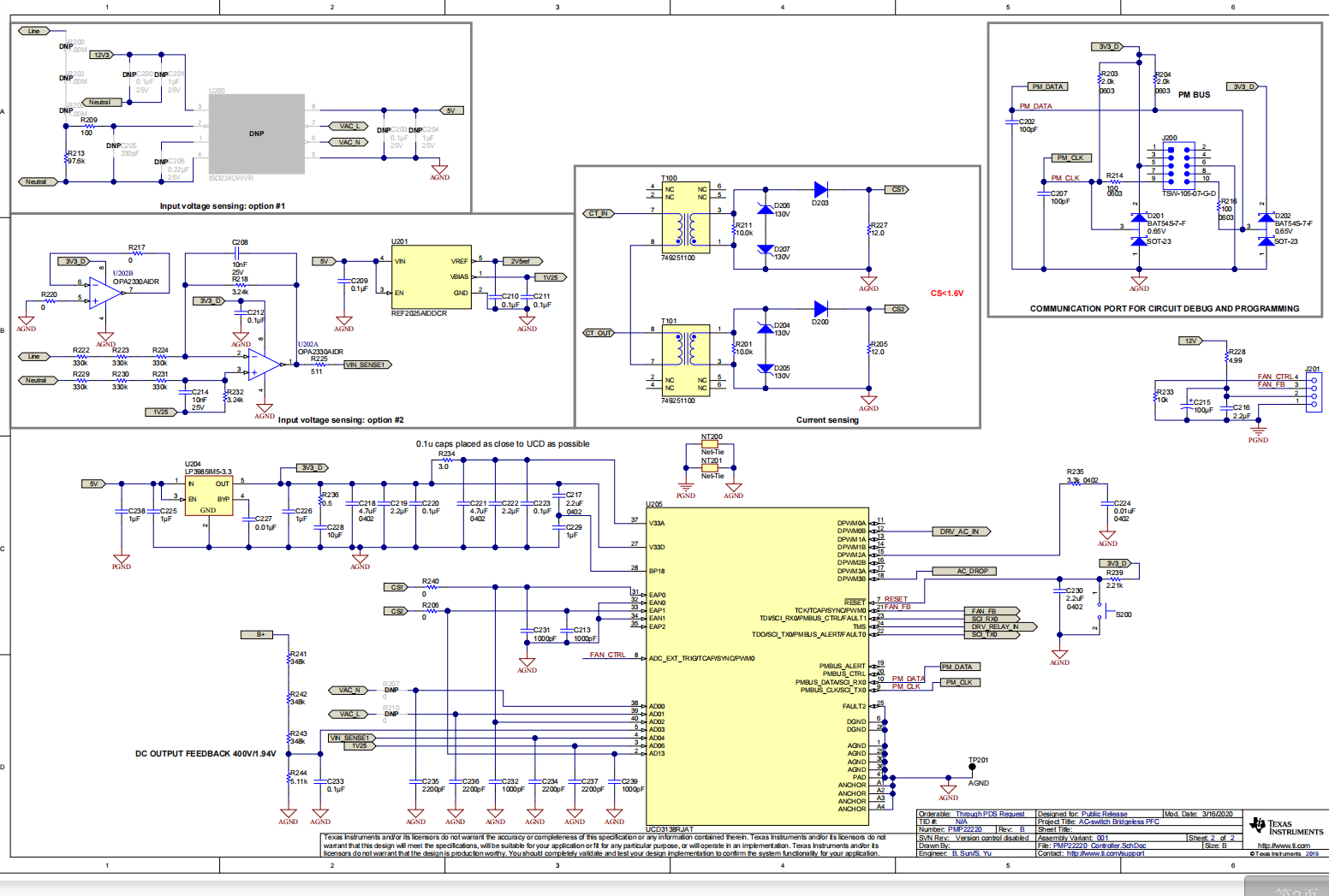
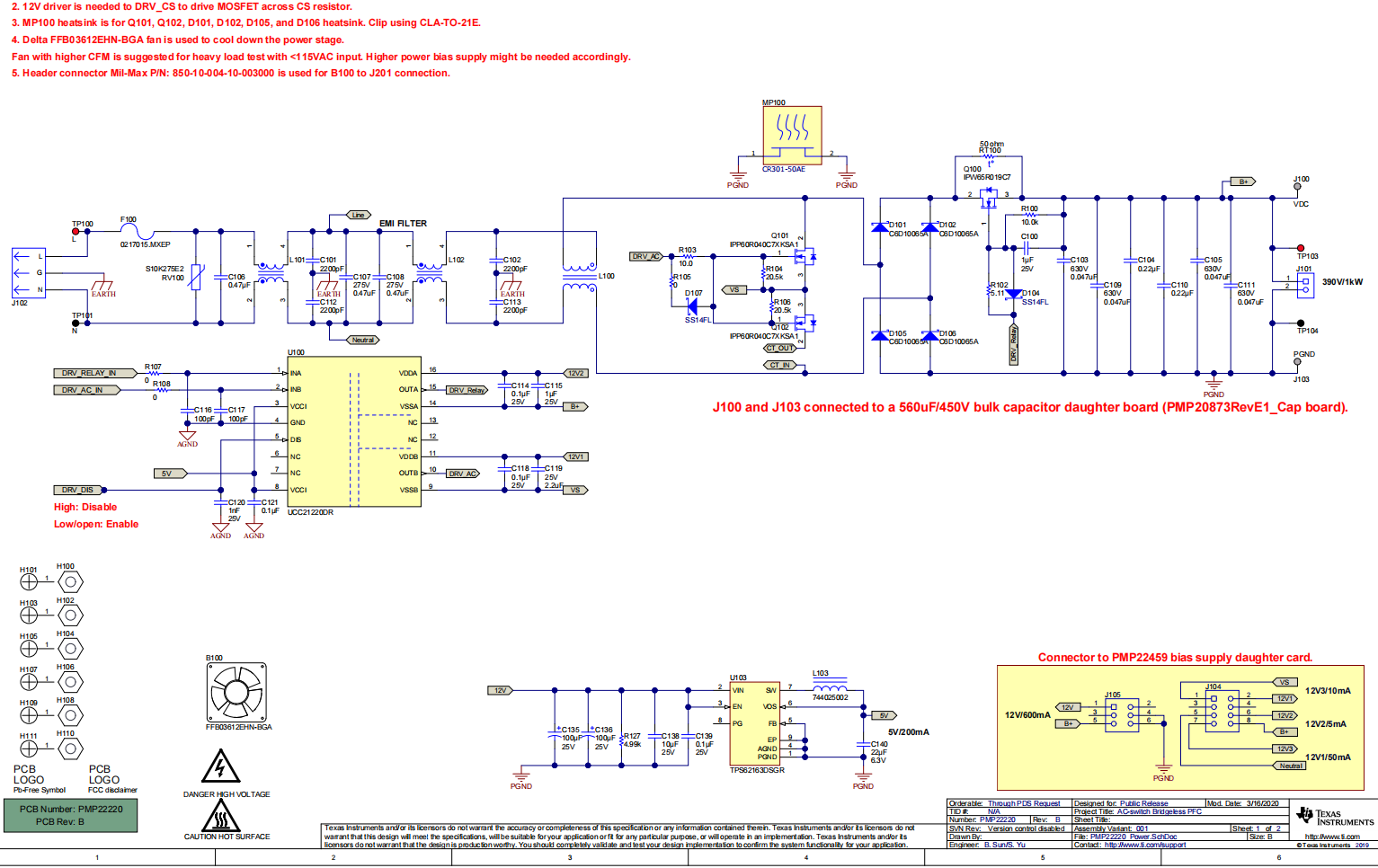
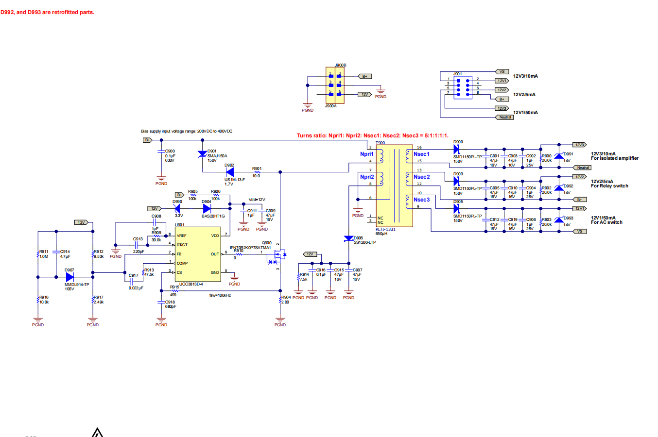
此参考设计是一款交流开关无桥功率因数校正 (PFC) 功率级,在连续导通模式 (CCM) 下运行。它采用通用交流输入电压(90VAC 至 264VAC),提供 390V、1000W 的低压线路输出和 1500W 的高压线路输出。该设计采用 UCD3138 数字控制器和 UCC21220 隔离式栅极驱动器。它在 115VAC 输入下可实现 97.1% 的峰值效率,在 230VAC 输入下可实现 98.3% 的峰值效率。其总谐波失真 (THD) 在 115VAC、1000W 下低于 1.2%,在 230VAC、1500W 下低于 2%。处于满负载时,115VAC 和 230VAC 的功率因数均大于 0.997。
特性
- 交流开关无桥 PFC 采用耦合电感器和硅 FET
- 在 230VAC 输入下,可实现 98.3% 的峰值效率
- THD 在 115VAC、1kW 负载时低于 1.2%,在 230VAC、1.5kW 负载时低于 2%
- 电路板尺寸为 185mm × 69mm × 45mm(不包括 MP100)
附件下载
Assembly drawing-TIDM549.zip
Bill of materials (BOM)-TIDM548.zip
Gerber file-TIDCFT8.zip
PCB layout-TIDM550.zip
Schematic-TIDM547.zip
Support software-TIDCFW3.zip
评论
0 / 100
查看更多
