内容介绍
内容介绍
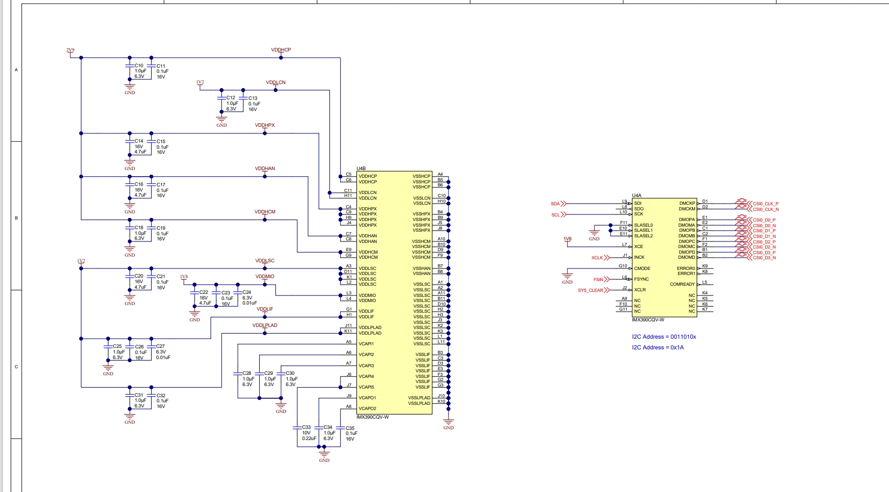
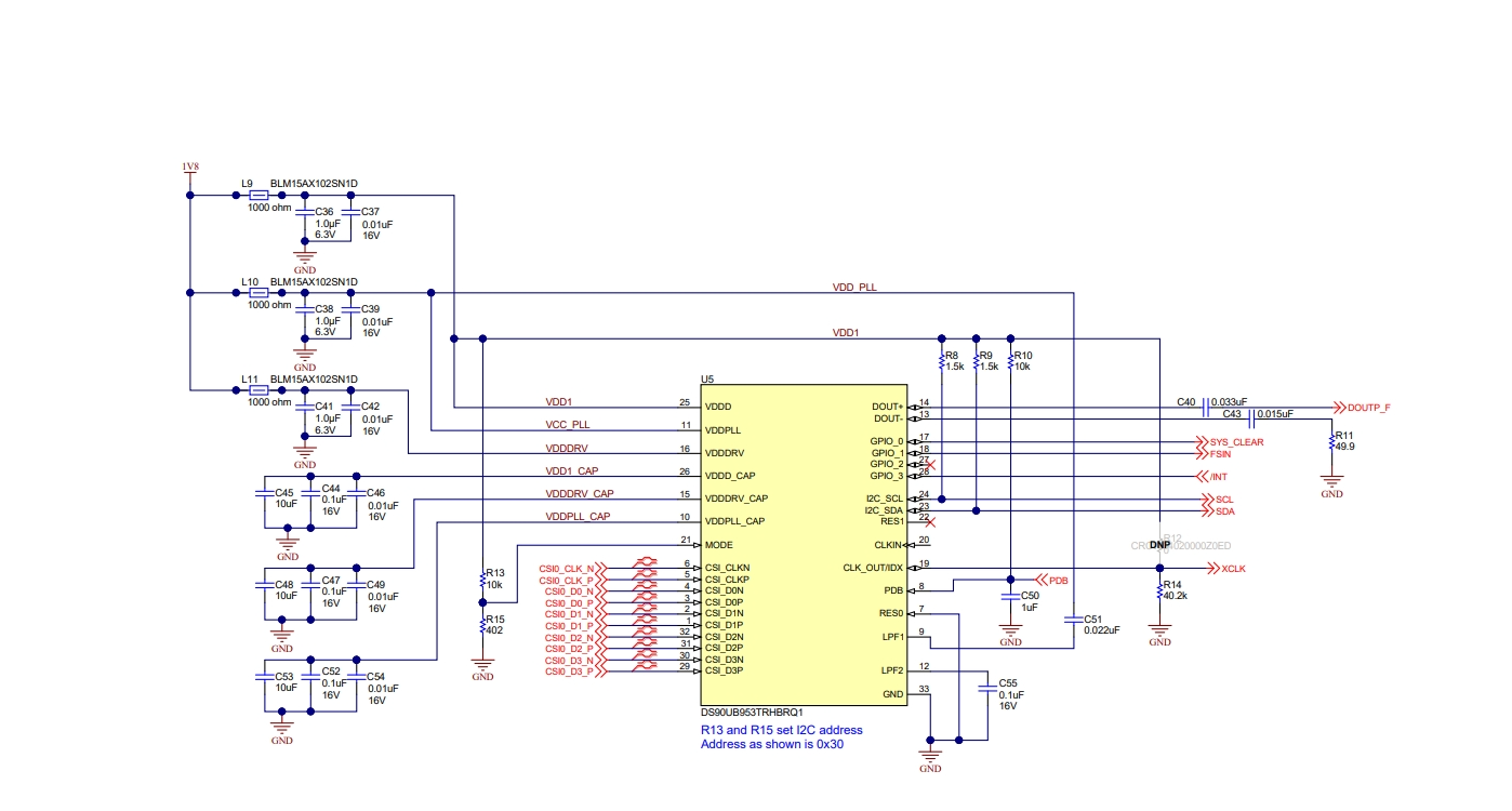
该摄像头模块参考设计通过将 200 万像素成像仪与 4Gbps 串行器相结合,满足了对汽车系统小型摄像头的需求。此外,它还通过单个电源管理 IC (PMIC) 提供电源和电压监控功能。该设计包含一个高速串行接口,通过该接口,可使用传输数据和电力的同轴电缆将远程汽车摄像头模块连接到显示器或机器视觉处理系统。此参考设计使用的 4Gbps FPD-Link III 串行器/解串器技术,支持使用单根线缆传输未经压缩的 200 万像素视频数据和双向控制信号以及同轴电缆供电 (POC)。
特性
- 设计经过空间优化且具有分立式电源,可安装在单个 21x21mm 的 PCB 上
- 通过单个 IC 提供电源管理和电压监控
- 来自 Sony 的 200 万像素 IMX390 图像传感器
- 通过 MIPI CSI-2 接口提供原始视频数据
- 借助 4Gbps DS90UB953 支持高分辨率摄像头应用
- 一个 Rosenberger Fakra 同轴电缆连接器即可满足数字视频、供电、控制以及诊断的需要
软硬件
元器件
附件下载
Assembly drawing-TIDM387.pdf
Bill of materials (BOM)-TIDM386.pdf
Design Guide-ZHCU722.pdf
Gerber file-TIDCFQ4.zip
PCB layout-TIDM388.pdf
Schematic-TIDM385.pdf
原理图PDF
全屏
评论
0 / 100
查看更多


