内容介绍
内容介绍
项目来源:TIDA-050029
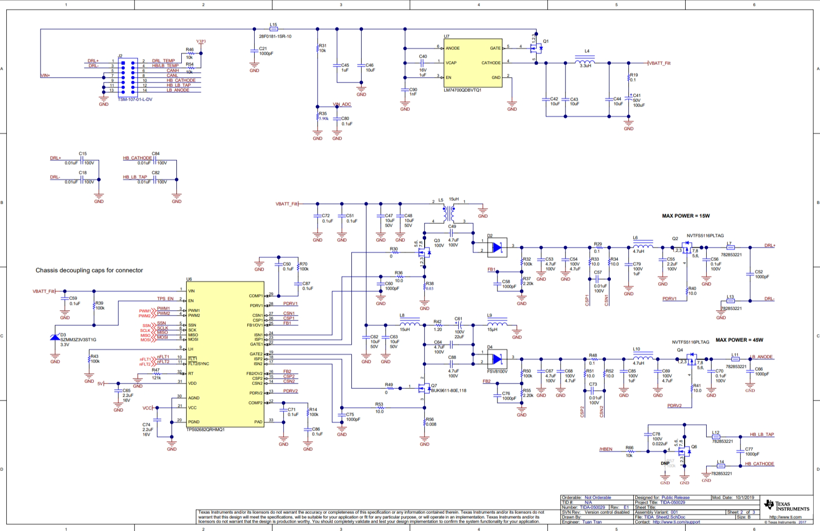
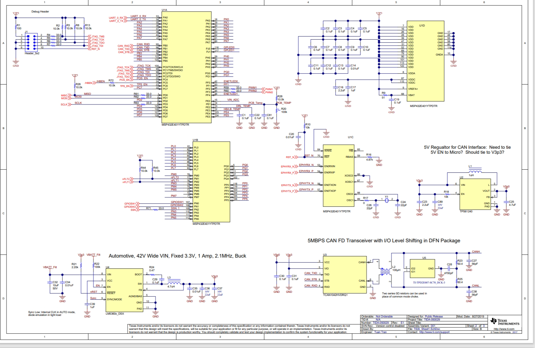
此参考设计展示了用于汽车前方照明应用的 双通道 LED 控制器,具有远光 (HB) 和近光 (LB)、日间行车灯 (DRL) 和位置 (POS) 灯功能。此设计使用一个 TPS92682-Q1 器件实现单级电源解决方案,从而借助控制器局域网 (CAN) 接口驱动 HB 和 LB 通道以及 DRL 和 POS 功能。传统实施使用了两个独立的控制器,而该简单设计减少了组件数量并缩小了解决方案尺寸。TPS92682-Q1 器件包括内部和外部 PWM 调光支持以及内置监测功能,不仅能实现更高的灵活性,还便于进行故障检测和保护连续 LED 电流。设计还包含电磁干扰 (EMI) 滤波功能,旨在满足 CISPR-25 5 类传导要求。
特性
- 双输出控制器
- 用于 DRL 和 POS 的耦合 SEPIC 设计
- 用于 HB 和 LB 的非耦合 SEPIC 设计
- CISPR-25 5 类 EMI 解决方案
- 超出 AM 波段的开关频率
附件下载
Assembly drawing-TIDM231.pdf
Bill of materials (BOM)-TIDM230.pdf
Design Guide-ZHCU701.pdf
Gerber file-TIDCFN2.zip
PCB layout-TIDM232.pdf
Schematic-TIDM229.pdf
原理图PDF
全屏
评论
0 / 100
查看更多
