内容介绍
内容介绍
TI 的低功耗 Bluetooth SensorTag 旨在将蓝牙应用开发的设计时间从数月缩短到数小时。SensorTag 是第一款主要针对传感器应用的蓝牙低功耗开发套件,也是唯一一款同时面向智能手机应用开发人员的套件。TI 的低功耗 Bluetooth SensorTag 旨在将蓝牙应用开发的设计时间从数月缩短到数小时。SensorTag 是第一款主要针对传感器应用的蓝牙低功耗开发套件,也是唯一一款同时面向智能手机应用开发人员的套件。提供可下载的 SensorTag 应用,且无需硬件或软件专业知识,此套件消除了智能手机应用开发人员的障碍,让他们可以利用日益增多的基于蓝牙低耗能技术的智能手机和平板电脑。
特性
- BLE 智能开发套件
- 六个 MEMS 传感器
- 能够直接通过智能手机无线下载固件
- 支持 Android、iOS
- 低成本套件
附件下载
Assembly drawing-SWRR125.pdf
Bill of materials (BOM)-SWRR127.zip
Schematic-SWRR109B.zip
Schematic-SWRR126.pdf
User's Guide-SWRU342.pdf
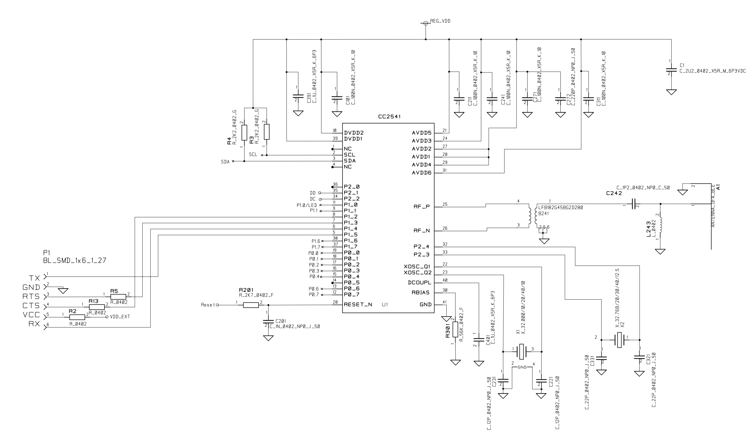
原理图PDF
全屏
评论
0 / 100
查看更多
