内容介绍
内容介绍
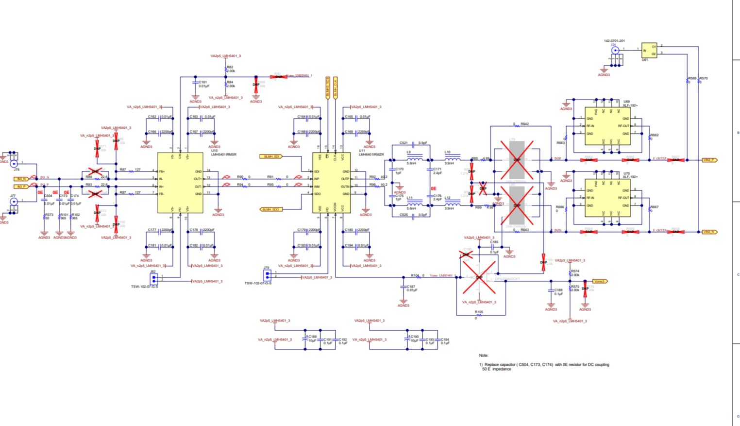
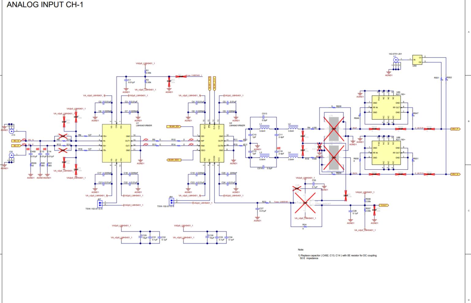
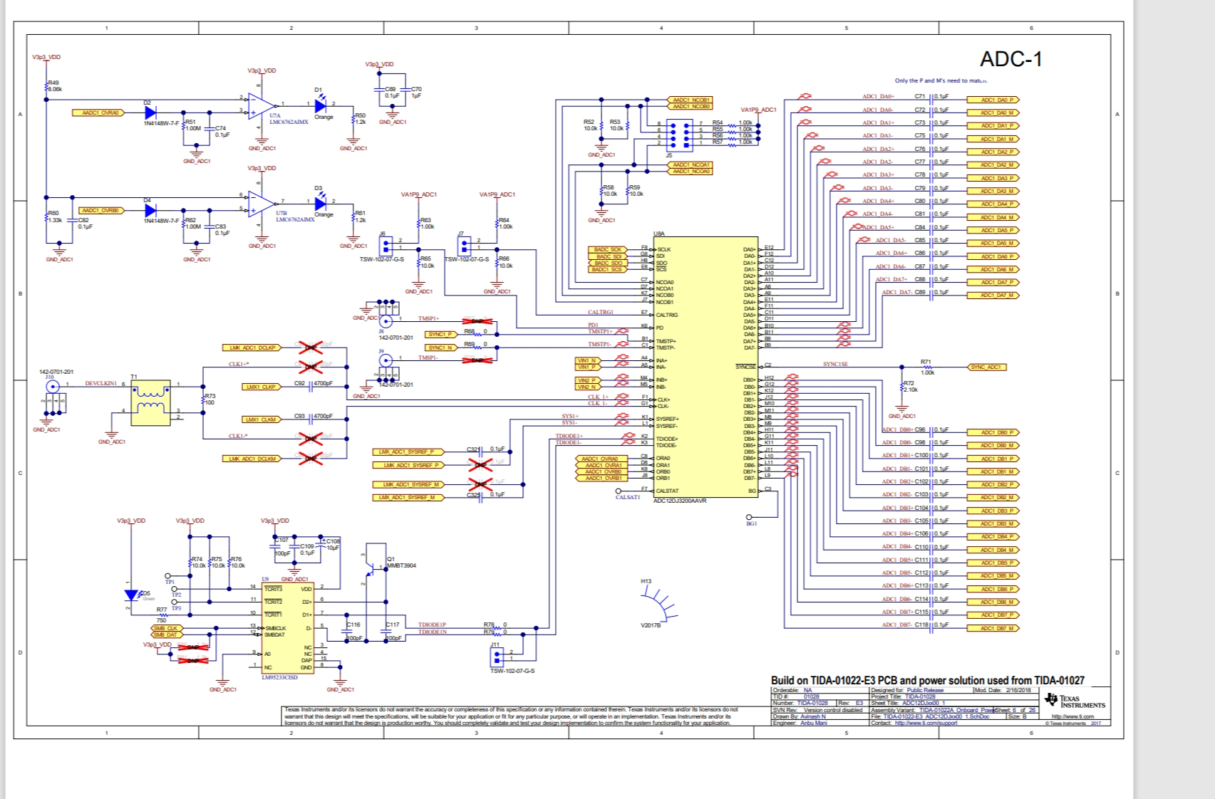
此参考设计提供了一个用于实现 12.8GSPS 采样率的交错射频采样模数转换器 (ADC) 的实用示例。这可通过对两个射频采样 ADC 进行时序交错来实现。交错需要在 ADC 之间进行相移,此参考设计通过 ADC12DJ3200 的无噪声孔径延迟调节(tAD 调节)功能来实现相移。此功能还可用于最大限度地减少交错 ADC 常见的失配问题:最大程度地提升 SNR、ENOB 和 SFDR 性能。此参考设计还采用了支持 JESD204B 的低相位噪声时钟树,该时钟树通过 LMX2594 宽带 PLL、LMK04828 合成器以及抖动清除器来实现。
特性
- 采用时序交错 12 位射频采样 ADC,采样率高达 12.8GSPS
- 高达 6GHz 带宽的模拟前端支持
- 出色的采样时钟相位调整(19fs 分辨率)
- 多个 ADC 的相位同步
- 输入电压为 12V 时,配套电源参考设计的效率高于 85%
- JESD204B 支持 8 个、16 个或 32 个 JESD 通道,每通道的数据速率高达 12.8Gbps
软硬件
元器件
附件下载
Application Note-SCAA055.pdf
Assembly drawing-TIDRZ72.pdf
Bill of materials (BOM)-TIDRZ71A.pdf
Design Guide-ZHCU643.pdf
Gerber file-TIDCFC2.zip
PCB layout-TIDRZ73.pdf
Schematic-TIDRZ70.pdf
原理图PDF
全屏
评论
0 / 100
查看更多
















