支持蓝牙技术的高精度体温测量柔性 PCB 贴片参考设计
该参考设计演示了使用 TMP117 高精度数字温度传感器和 CC2640R2F 无线 MCU 实现的高精度皮肤温度感应。该设计为医疗和可穿戴应用中的皮肤温度测量以及评估软件和智能设备应用提供了设计指南。 特性 高精度(±0.1℃)人体温度周围温度测量 与蓝牙低功耗 (BLE) 4.2 和 5 规范兼容的 2.4GHz RF 收发器 具有集成 PCB 天线的灵活 PCB 设计 保质期长达三年,有效时间为五天 用于设备监控的 iOS 应用程序  
标签
皮肤温度感应
温度测量
Texas Instruments Incorporated
更新2023-12-27
26

内容介绍

该参考设计演示了使用 TMP117 高精度数字温度传感器和 CC2640R2F 无线 MCU 实现的高精度皮肤温度感应。该设计为医疗和可穿戴应用中的皮肤温度测量以及评估软件和智能设备应用提供了设计指南。

特性
  • 高精度(±0.1℃)人体温度周围温度测量
  • 与蓝牙低功耗 (BLE) 4.2 和 5 规范兼容的 2.4GHz RF 收发器
  • 具有集成 PCB 天线的灵活 PCB 设计
  • 保质期长达三年,有效时间为五天
  • 用于设备监控的 iOS 应用程序

 

软硬件
元器件
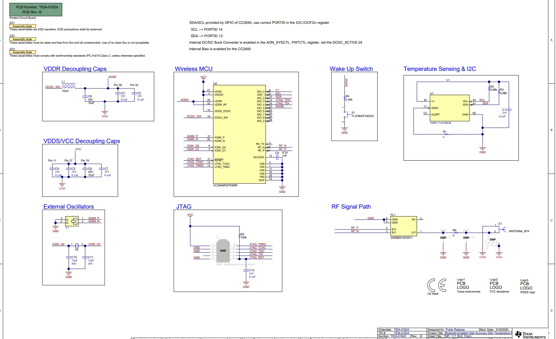
CC2640R2FRSMR
具有 128kB 闪存的 SimpleLink™ 32 位 Arm® Cortex®-M3 低功耗 Bluetooth® 5.1 无线 MCU
TMP117AIYBGR
具有 48 位 EEPROM、可替代 PT100/PT1000 RTD 的 0.1°C 数字温度传感器
附件下载
Assembly drawing-TIDRYR7A.pdf
Bill of materials (BOM)-TIDRYR9A.pdf
Design Guide-TIDUDW4A.pdf
Design Guide-ZHCU623.pdf
Gerber file-TIDCF89A.zip
PCB layout-TIDRYR6A.pdf
Schematic-TIDRYR5A.pdf
Support software-TIDCF90.zip
原理图PDF
全屏
评论
0 / 100
查看更多
硬禾服务号
关注最新动态
0512-67862536
info@eetree.cn
江苏省苏州市苏州工业园区新平街388号腾飞创新园A2幢815室
苏州硬禾信息科技有限公司
Copyright © 2024 苏州硬禾信息科技有限公司 All Rights Reserved 苏ICP备19040198号