内容介绍
内容介绍
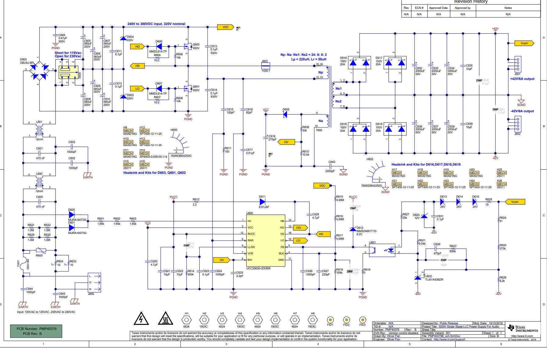
此单级 LLC 转换器参考设计演示了如何使用 UCC256302 谐振控制器将交流输入电压(100-120 Vac 和 200-240 Vac)转换为隔离式 ±42V 直流输出。该设计具有稳压 ±42V 输出,可在 100ms 内处理高达 6A 的连续输出电流和 12A 的峰值电流。
特性
- 100–120Vac 或 200–240Vac 输入范围运行,无需前端 PFC
- 为音频放大器提供 ±42V、6A 连续/12A 峰值输出电流
- 230Vac 时峰值效率超过 95%,待机功耗低于 500mW
附件下载
Application Note-SNOAA00A.pdf
Assembly drawing-TIDRXP9.pdf
Bill of materials (BOM)-TIDRXP8.pdf
Gerber file-TIDCF11.zip
PCB layout-TIDRXQ0.pdf
Schematic-TIDRXP7.pdf
原理图PDF
全屏
评论
0 / 100
查看更多
