内容介绍
内容介绍
该基于处理器的参考设计有助于加快产品上市步伐,并帮助客户设计具有成本效益的智能恒温器人机界面 (HMI) 解决方案。Sitara AM335x 系列处理器提供可扩展的替代方案,它们具有 300MHz 至 1GHz 的处理速度、图形加速、满足低端到高端应用的软件以及与智能恒温器 HMI 所需的主要外设(例如通用异步接收器/发送器 (UART)、SDIO、USB 等)的充分连接。该基于处理器的参考设计有助于加快产品上市步伐,并帮助客户设计具有成本效益的智能恒温器人机界面 (HMI) 解决方案。Sitara AM335x 系列处理器提供可扩展的替代方案,它们具有 300MHz 至 1GHz 的处理速度、图形加速、满足低端到高端应用的软件以及与智能恒温器 HMI 所需的主要外设(例如通用异步接收器/发送器 (UART)、SDIO、USB 等)的充分连接。该智能恒温器 HMI 参考设计展示了二维 (2D) Qt 图形用户界面 (GUI)以及用于硬件加速渲染图形的 TI 处理器功能。
特性
- 演示使用硬件加速图形和 Qt 的智能恒温器
- 支持电阻式或电容式触摸屏
- 在提供的 4.3 英寸 LCD 上采用 480 × 272 的分辨率;在其他显示器上最高可扩展至 2048 × 2048
- 在 TI 的处理器 SDK-Linux 上构建以便于扩展到其他 Sitara™ 处理器
附件下载
Bill of materials (BOM)-TIDRSY8.pdf
Design Guide-ZHCU527.pdf
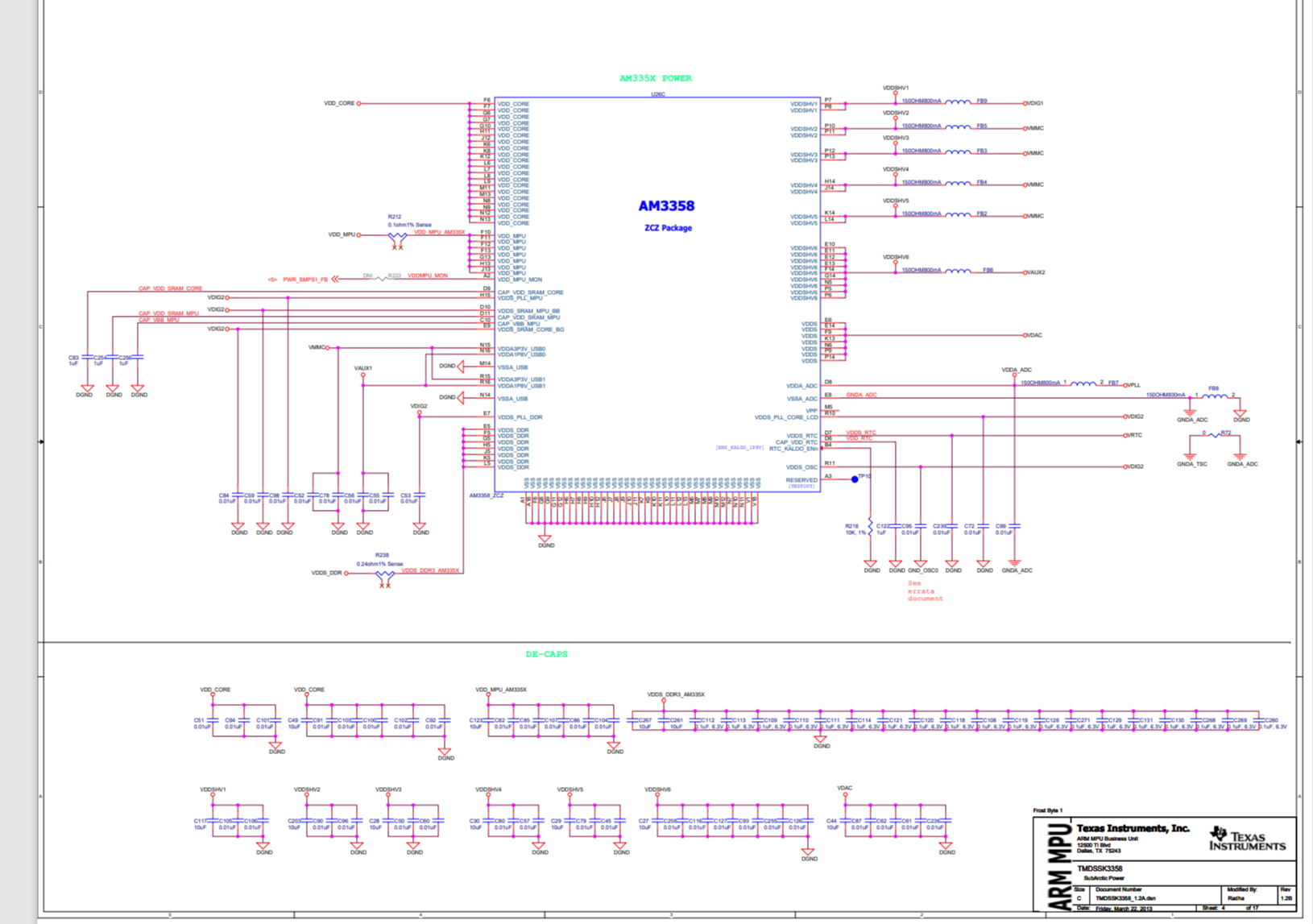
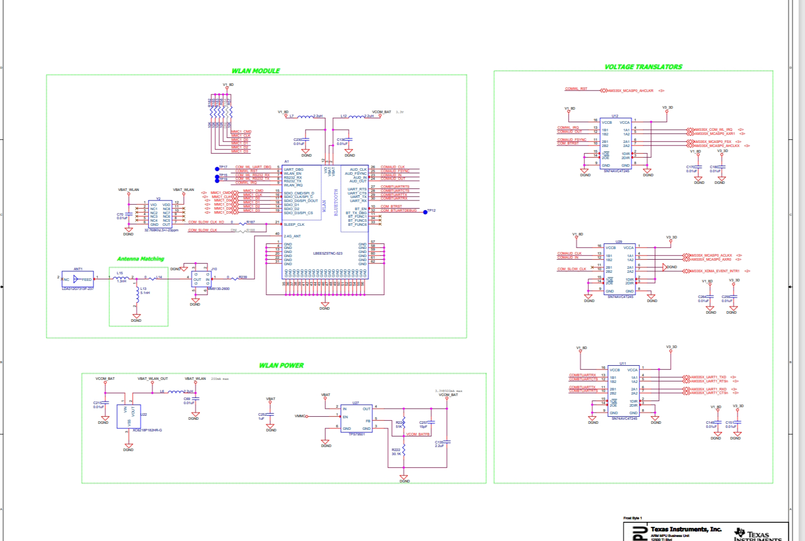
Schematic-TIDRSY7.pdf
原理图PDF
全屏
评论
0 / 100
查看更多
