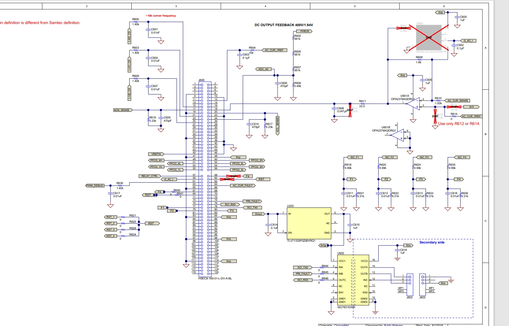
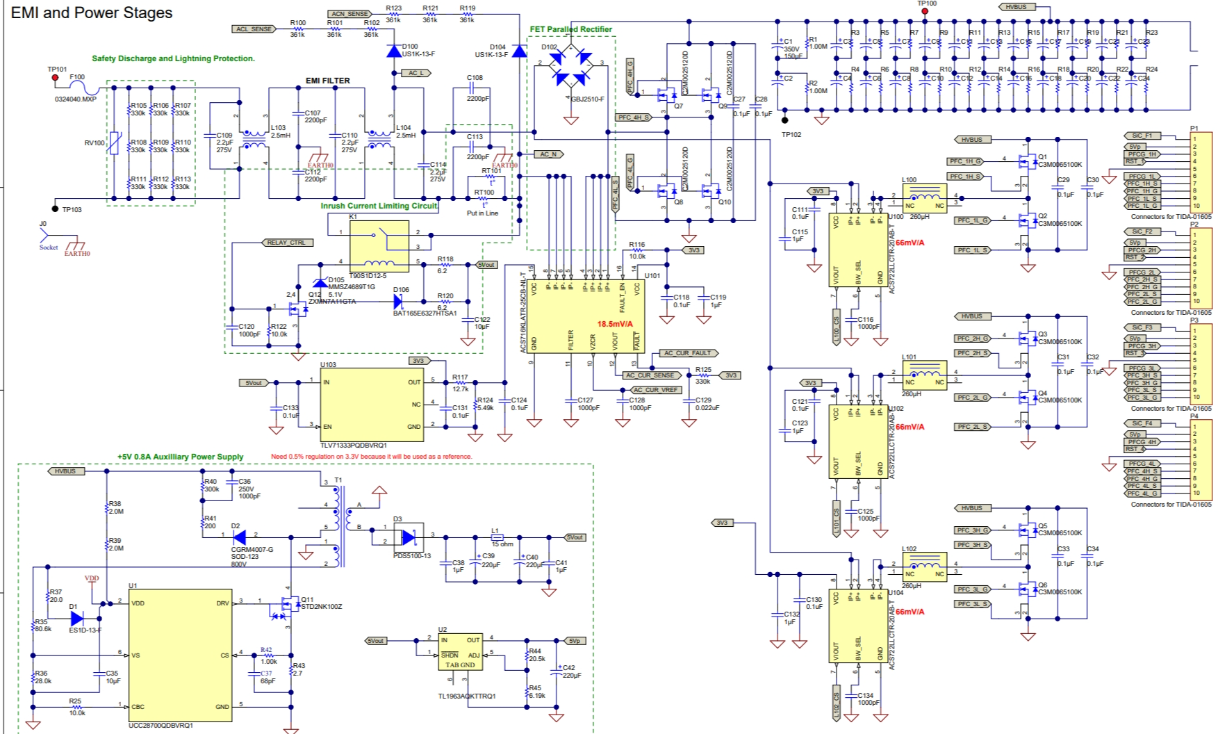
效率为 98.6% 且适用于 HEV/EV 车载充电器的 6.6kW 图腾柱 PFC 参考设计
此参考设计基于多个碳化硅 (SiC) MOSFET 而构建,该 MOSFET 由 C2000 微控制器 (MCU) 通过 SiC 隔离式栅极驱动器进行驱动。此设计采用了三相交错技术并在连续导通模式 (CCM) 中运行,在 240V 输入电压和 6.6kW 全功率下可实现 98.46% 的效率。C2000 控制器可实现切相和自适应死区时间控制,从而改善轻载条件下的功率因数。栅极驱动器板(请参阅 TIDA-01605)能够提供 4A 峰值拉电流和 6A 峰值灌电流。栅极驱动器板实现了增强型隔离,可承受超过 100V/ns 的共模瞬态抗扰度 (CMTI)。栅极驱动器板还包含两级关断电路,可在短路情况下保护 MOSFET 抵御电压过冲。 特性 高功率密度、高效率 PFC 设计,可为高达 6.6kW 的系统供电 半桥和紧凑型隔离式栅极驱动器,具有增强型隔离和两级关断保护功能 完全数字化控制,通过高性能 C2000™ 控制器实现先进的控制方案 峰值效率为 98.46%,功率因素大于 0.99,且总谐波失真 (THD) 小于 2% 三相交错运行方式,具有切相控制功能  
标签
HEV/EV 车载充电器
图腾柱 PFC
三相交错
数字化控制
Texas Instruments Incorporated
更新2023-12-27
39

内容介绍

此参考设计基于多个碳化硅 (SiC) MOSFET 而构建,该 MOSFET 由 C2000 微控制器 (MCU) 通过 SiC 隔离式栅极驱动器进行驱动。此设计采用了三相交错技术并在连续导通模式 (CCM) 中运行,在 240V 输入电压和 6.6kW 全功率下可实现 98.46% 的效率。C2000 控制器可实现切相和自适应死区时间控制,从而改善轻载条件下的功率因数。栅极驱动器板(请参阅 TIDA-01605)能够提供 4A 峰值拉电流和 6A 峰值灌电流。栅极驱动器板实现了增强型隔离,可承受超过 100V/ns 的共模瞬态抗扰度 (CMTI)。栅极驱动器板还包含两级关断电路,可在短路情况下保护 MOSFET 抵御电压过冲。

特性
  • 高功率密度、高效率 PFC 设计,可为高达 6.6kW 的系统供电
  • 半桥和紧凑型隔离式栅极驱动器,具有增强型隔离和两级关断保护功能
  • 完全数字化控制,通过高性能 C2000™ 控制器实现先进的控制方案
  • 峰值效率为 98.46%,功率因素大于 0.99,且总谐波失真 (THD) 小于 2%
  • 三相交错运行方式,具有切相控制功能

 

软硬件
元器件
UCC28700QDBVRQ1
汽车级、紧凑型初级侧调节 PWM 控制器
OPA2376AQDRQ1
低噪声、低静态电流精密运算放大器电子微调/交换
ISO7831DWR
高隔离额定值、三通道、2/1、增强型数字隔离器
SN74LVC1G3157DRYR
5V、2:1 (SPDT)、单通道通用模拟开关
TLV71333PQDBVRQ1
具有使能功能的汽车类 150mA、低压降稳压器
ACS722LLCTR-20AB-T
高精度、电流隔离型电流传感器IC
ACS716KLATR-25CB-NL-T
120 kHz带宽高压隔离电流传感器
ZXMN7A11G
70V N沟道增强型MOSFET
STD2NK100Z
N沟道1000 V、6.25 Ohm典型值、1.85 A有齐纳管保护的SuperMESH功率MOSFET,DPAK封装
TL1963AQKTTRQ1
具有反向电流保护功能的汽车类 1.5A、20V、可调节低压降稳压器
C3M0065100K
通孔 N 通道 1000 V 35A(Tc) 113.5W(Tc) TO-247-4L
C2M0025120D
1200 V, 25 mΩ, TO-247-3 package, Industrial qualified, Discrete SiC MOSFET
附件下载
Assembly drawing-TIDRVT0.pdf
Bill of materials (BOM)-TIDRVS9A.pdf
Design Guide-ZHCU459B.pdf
Gerber file-TIDCEJ6.zip
PCB layout-TIDRVT1.pdf
Schematic-TIDRVS8A.pdf
原理图PDF
全屏
评论
0 / 100
查看更多
硬禾服务号
关注最新动态
0512-67862536
info@eetree.cn
江苏省苏州市苏州工业园区新平街388号腾飞创新园A2幢815室
苏州硬禾信息科技有限公司
Copyright © 2024 苏州硬禾信息科技有限公司 All Rights Reserved 苏ICP备19040198号