内容介绍
内容介绍
TSW40RF82EVM 参考设计提供了一个连接 DAC38RF82 和高性能调制器 TRF370417EVM 的平台。TRF370417EVM 可在高达 6GHz 的频率下调制宽带信号,属于微波回程应用的典型情况。TRF370417 器件可替代适用的高频器件。只需进行极少的改动即可将数模转换器 (DAC) 与调节器连接。本设计提供了将 TSW40RF82EVM 与 TRF370417EVM 连接的方法。
特性
- 高带宽零中频(零 IF)变送器解决方案
- 射频采样速度高达 8GSPS 的 DAC 解决方案
- TRF370417EVM 在高达 6GHz 的频率下进行宽带调制
- 调制器可互换以获得更高的射频频率
- 5GHz 频段内的调制误差比 (MER) 超过 40dB
附件下载
Bill of materials (BOM)-TIDRRR0.pdf
Design Guide-ZHCU299A.pdf
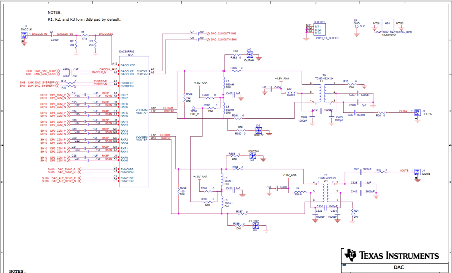
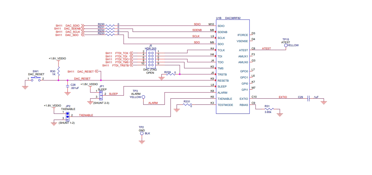
Schematic-TIDRRQ9.pdf
原理图PDF
全屏
评论
0 / 100
查看更多
