内容介绍
内容介绍
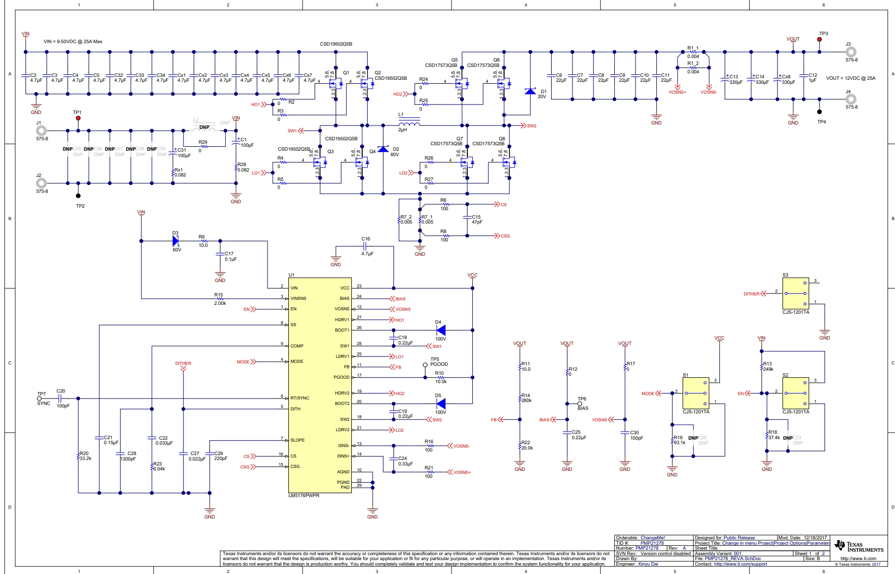
PMP21278 参考设计是一款 300W 的电源,它采用 LM5176 4 开关降压/升压控制器,适用于工业应用。此设计的工作电压为 9V 至 50V。此设计具有 12V 的输出,并且能够提供 25A 的持续电流。开关频率设为 230kHz。PMP21278 组装在 SV601348A PCB 上。对于该测试报告上采用的所有测试数据,使用三个具有 6.8mF、65V 额定值的电解电容器来减弱输入电源的线路电感。
特性
- 输入电压为 9V 至 50V,输出电压为 12V (25A)
- 可实现 97% 的峰值效率
- 过流、过压和过热保护
- 高功率密度
附件下载
Bill of materials (BOM)-TIDRVC2.pdf
Gerber file-TIDCEF5.zip
PCB layout-TIDRVC3.pdf
Schematic-TIDRVC1.pdf
原理图PDF
全屏
评论
0 / 100
查看更多
