内容介绍
内容介绍
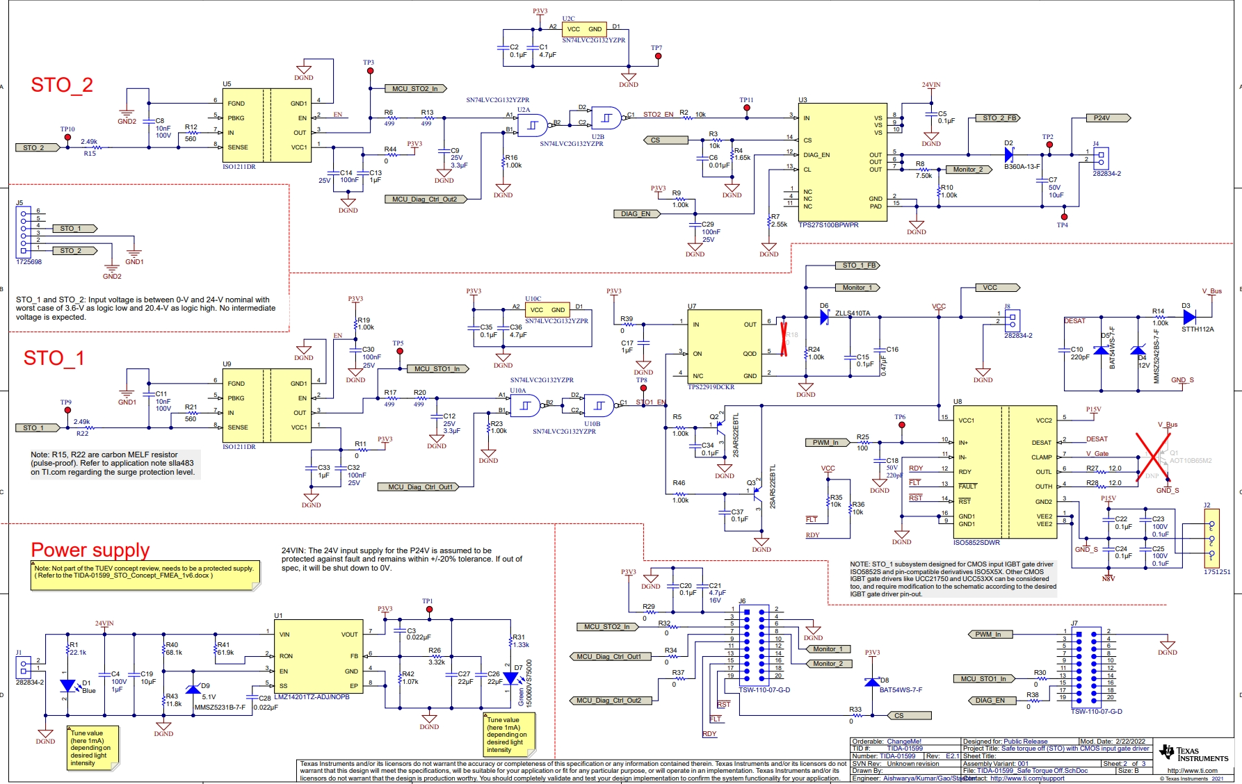
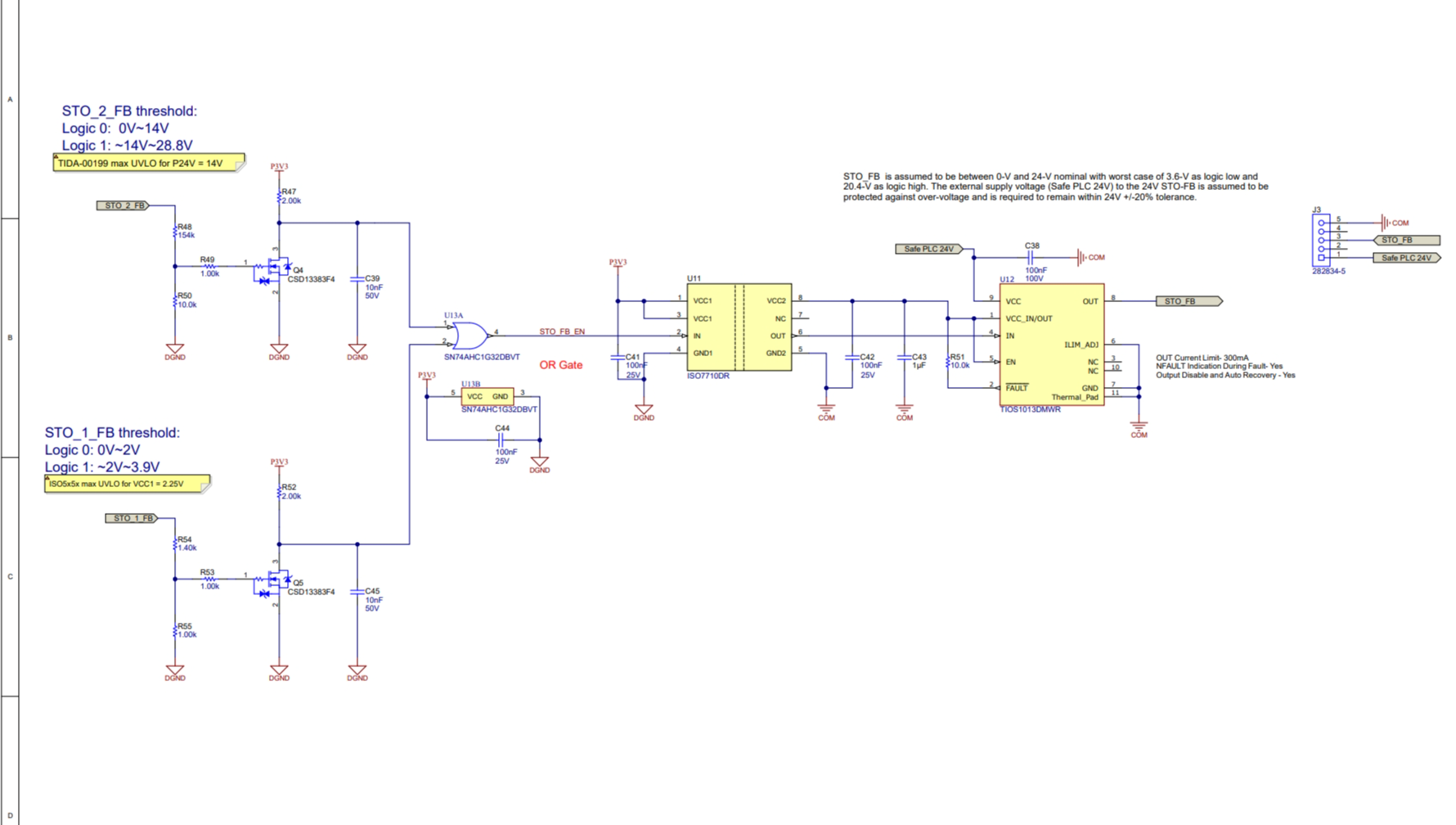
此参考设计概述了具有 CMOS 输入隔离式 IGBT 栅极驱动器的三相逆变器中使用的安全转矩关闭 (STO) 子系统。该 STO 子系统采用双通道架构 (1oo2),硬件容错能力为 1 (HFT=1)。它是按照失电跳闸概念实现的。当双路 STO 输入(STO_1 和 STO_2)变为低电平有效时,将通过负载开关切断六个隔离式 IGBT 栅极驱动器的初级侧和次级侧相应电源,从而停止控制电机并为其供电。此 STO 参考设计 (1oo2) 经过 TüV SüD 评估,通常符合 SIL 3 和 PL e/Cat 3标准。
特性
- 经过 TÜV SÜD 评估、符合 SIL 3 (IEC 61508) 和 PL e/Cat.3 (ISO 13849) 的双通道 STO架构 (1oo2)
- 可提供 TÜV 报告、安全概念说明和定性系统 FMEA,进一步帮助设计人员实施 STO 子系统
- STO 子系统适用于具有 CMOS 输入隔离式 IGBT 栅极驱动器(如 ISO5852S、UCC21750 或 UCC5350)的三相逆变器
- ISO1211 符合 IEC 61131-2 标准且具有 ±60V 输入容差和反极性保护的 24V 隔离式输入接收器
- 连接 MCU (SIL 1),为 STO 子系统中的负载开关提供诊断
- 可通过 RDY 引脚监控 ISO5852S 的输入和输出电源 UVLO,并可通过 UCC21750 集成式模拟至 PWM 隔离传感器提供额外的监控功能
软硬件
元器件
附件下载
Assembly drawing-TIDRVA4A.pdf
Bill of materials (BOM)-TIDRVA3A.pdf
Design Guide-ZHCU410B.pdf
Gerber file-TIDCEF0A.zip
PCB layout-TIDRVA5A.pdf
Schematic-TIDRVA2A.pdf
原理图PDF
全屏
评论
0 / 100
查看更多











