内容介绍
内容介绍
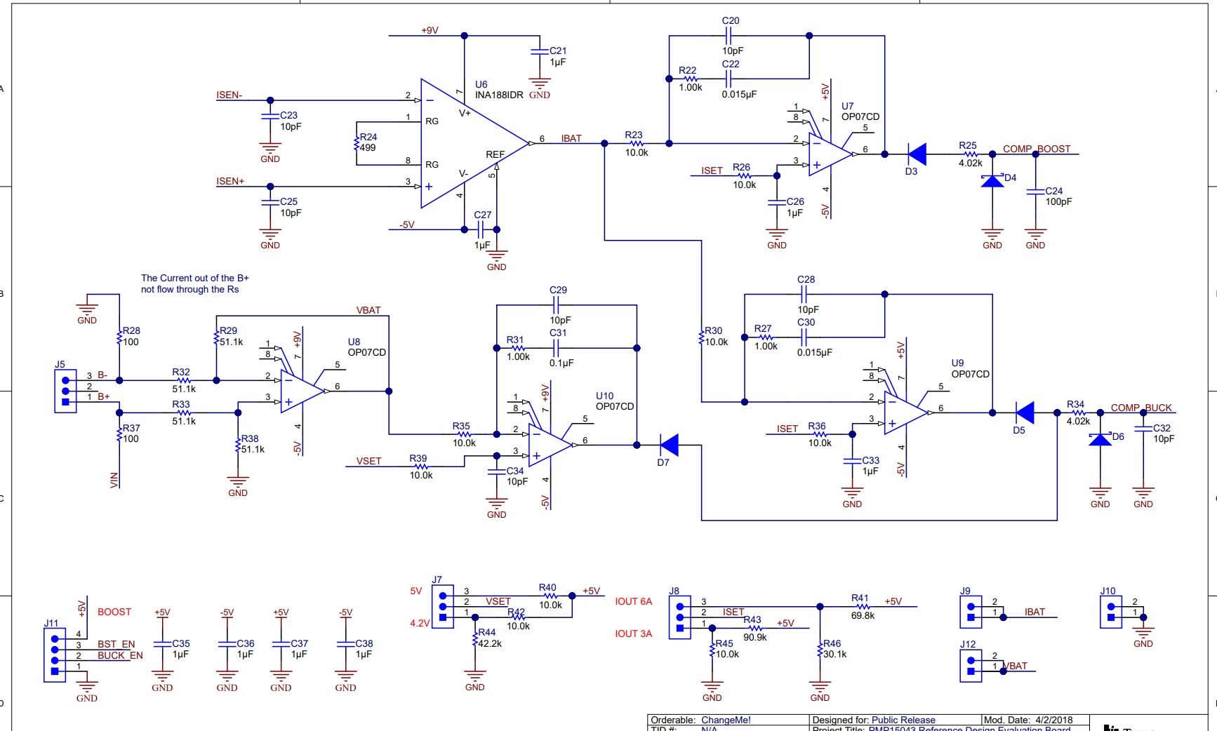
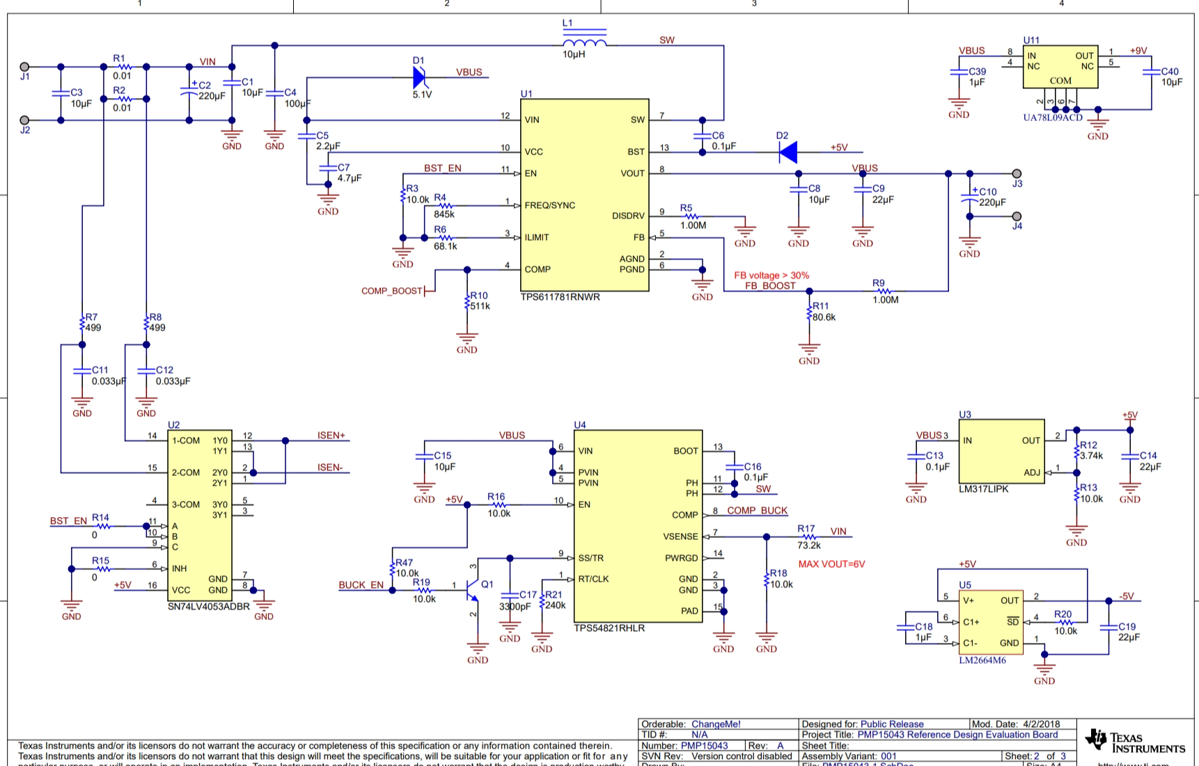
此参考设计电路引入了电池测试系统 (BTS) 中使用的高精度双向电流电源解决方案。最大电流容量为 6A,且满量程精度小于 0.05%。通过逻辑引脚进行控制,此电路可用于对电池进行充电或放电。在充电过程中,也可以通过模拟信号来控制电池电压。由于采用完全集成的降压和升压转换器,此电路的设计简单易行。通过内置的评估板可以验证该解决方案的性能。
特性
- 6A 双向电流
- FS 电流精度小于 0.05%
- 可编程电流和电压控制
- 完全集成的转换器可最大限度减小解决方案尺寸
附件下载
Assembly drawing-TIDRUV8A.pdf
Bill of materials (BOM)-TIDRUV7A.pdf
Gerber file-TIDCEB6A.zip
PCB layout-TIDRUV9A.pdf
Schematic-TIDRUV6A.pdf
原理图PDF
全屏
评论
0 / 100
查看更多
