内容介绍
内容介绍
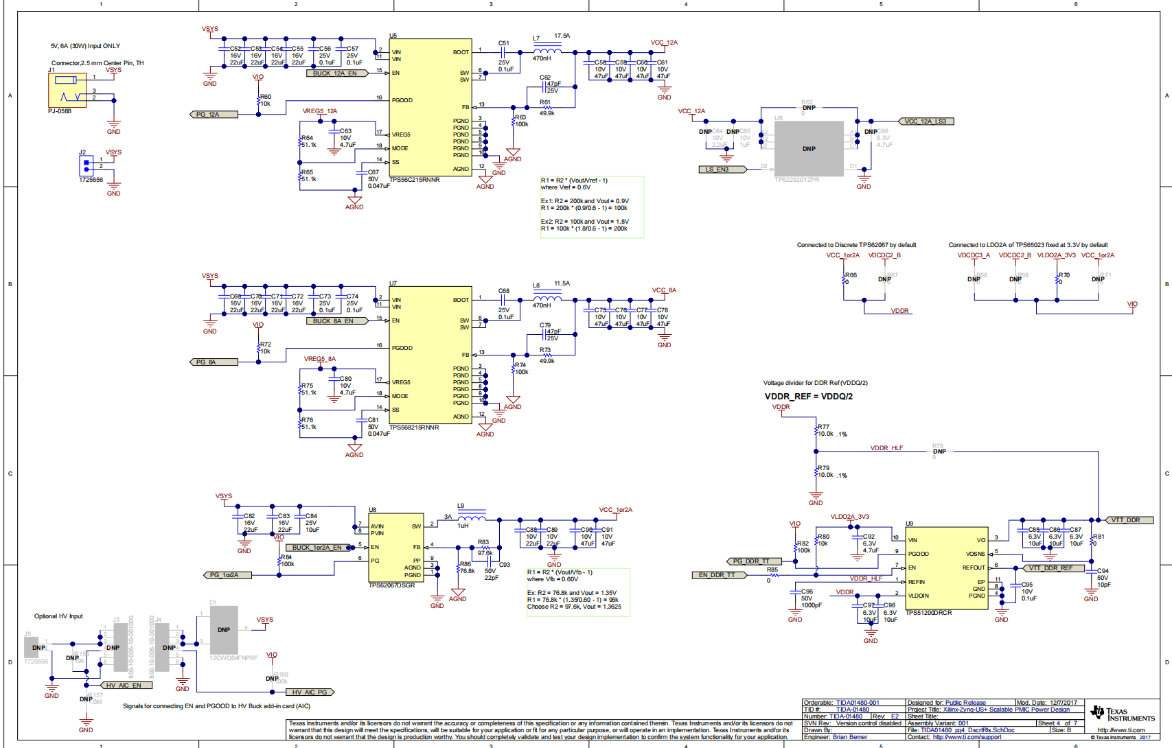
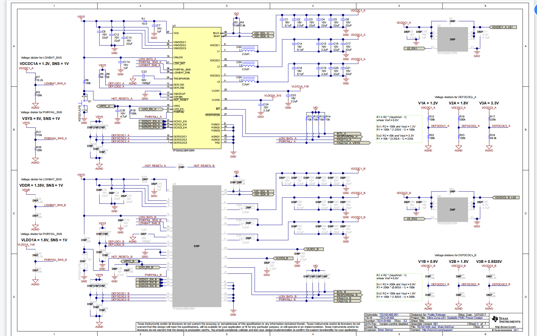
TIDA-01480 参考设计是一种可扩展的电源设计,旨在为 Xilinx Zynq UltraScale+ (ZU+) 系列 MPSoC 器件供电。此设计接收来自标准直流电源的电力,并通过明确的 Samtec 插座端子板连接方式为 Xilinx 芯片组和 DDR 存储器的所有电源轨供电。此设计具有可扩展性,能够支持整个 ZU+ 系列的器件:从最基础的具有双核 ARM Cortex-A53 应用处理器和双核 ARM Cortex-R5 实时处理器的 ZU2CG 器件,到添加了图形处理单元 (GPU) 的 ZUxEG 产品,再到最高配的还包含一个视频编解码器单元和多达 16 个 16.3Gbps 收发器 (MGTH) 的 ZU5EV 器件,均包含在内。
特性
- 17 个可通过硬件配置的电源轨
- 轻松更改硬件中的任何输出电压
- 只需 1 个输入电压
- 是适用于以下 Xilinx 产品的理想电源:Zynq Ultrascale_ MPSoC(ZU2CG、ZU3CG、ZU4CG、ZU5CG、ZU2EG、ZU3EG、ZU4EG、ZU5EG、ZU4EV、ZU5EV)
- 小型 3.5" x 2.5" PCB,适合作为原型设计工具使用
软硬件
元器件
附件下载
Assembly drawing-TIDRUU3.zip
Bill of materials (BOM)-TIDRUU2.zip
Design Guide-ZHCU400B.pdf
Gerber file-TIDCEB3.zip
PCB layout-TIDRUU4.pdf
Schematic-TIDRUU1.zip
评论
0 / 100
查看更多






