内容介绍
内容介绍
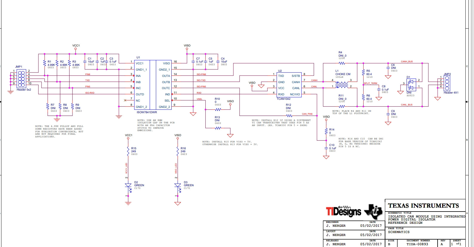
The TIDA-00893 参考设计提供了一个紧凑型解决方案,能够生成隔离式直流电源,同时支持隔离式 CAN 通信。此设计包含一个具有集成电源的增强型数字隔离器以及 CAN 收发器,旨在用于降低辐射以满足 CISPR22 B 类之类的标准,无需任何其他部件。
特性
- 单电源解决方案(接口侧不需要单独的电源)
- BOM 成本降低
- 可扩展至其他 CAN 收发器
- 先进的 PCB 布局可减少辐射发射
附件下载
Assembly drawing-TIDRUO9A.pdf
Bill of materials (BOM)-TIDRUO8.pdf
Design Guide-ZHCU390.pdf
Gerber file-TIDCEA1.zip
PCB layout-TIDRUP0.zip
Schematic-TIDRUO7.pdf
原理图PDF
全屏
评论
0 / 100
查看更多
