内容介绍
内容介绍
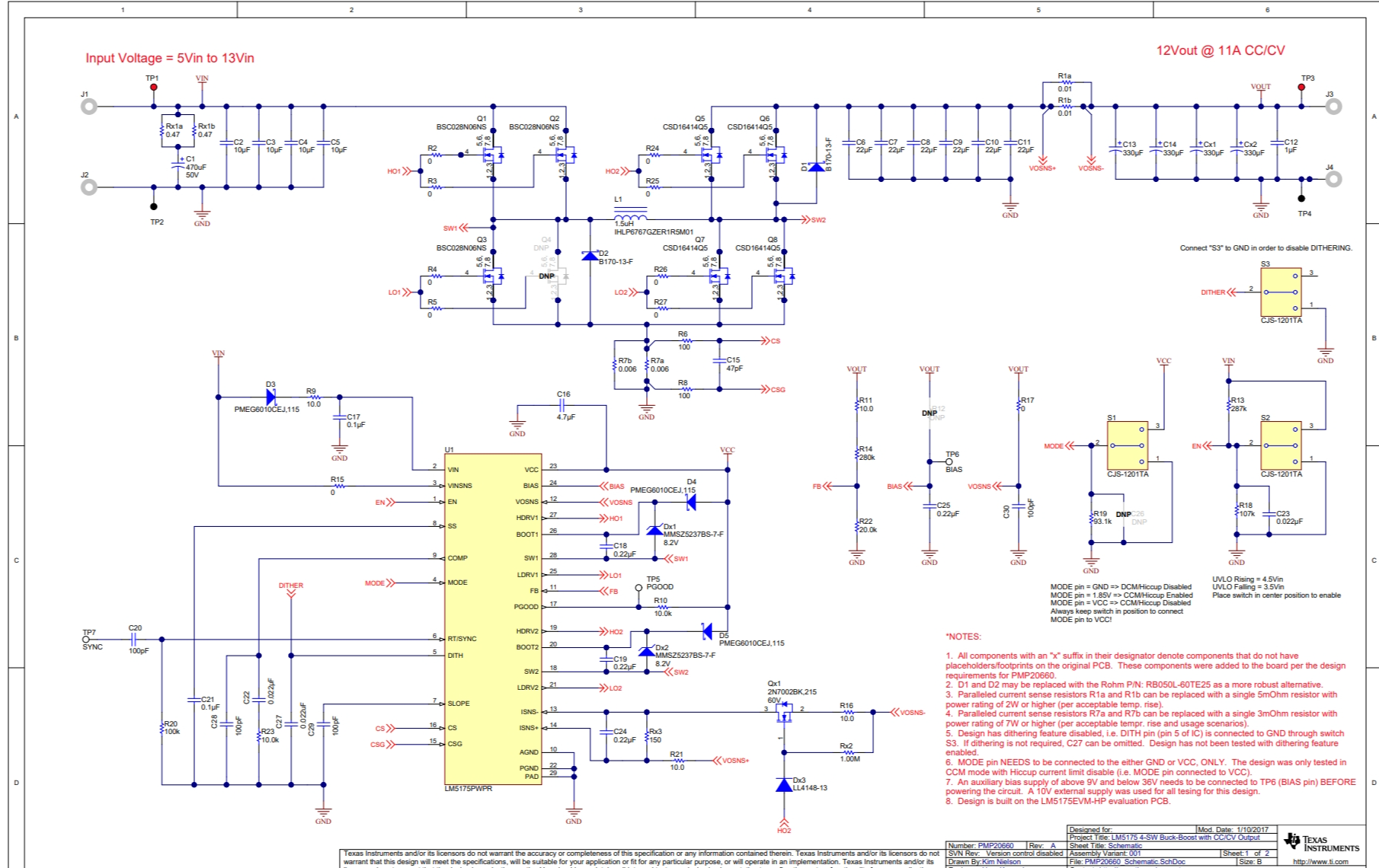
PMP20660 是一款采用 LM5175 控制器 IC 的同步 4 开关降压/升压转换器参考设计。该转换器接受 5V 至 13V 的输入电压,并提供 12V 和约 11A 的恒定电压/恒定电流输出。此参考设计基于 LM5175EVM-HP 评估板(这是一种 6 层 FR-4 PCB,其中每一层都有 2 盎司的覆铜)。
特性
- 同步运行以实现高效率
- 恒定电流和恒定电压控制
- 输出电压可高于或低于输入电压
- 支持超级电容器快速充电
附件下载
Assembly drawing-TIDRTW9.pdf
Bill of materials (BOM)-TIDRTW8.pdf
Gerber file-TIDCE36.zip
PCB layout-TIDRTX0.pdf
Schematic-TIDRTW7.pdf
原理图PDF
全屏
评论
0 / 100
查看更多
