内容介绍
内容介绍
此参考设计提供了 Bluetooth 5.0 SimpleLink 选件,其具有更好的工业噪声抑制能力、更宽的范围以及更低的功耗,适用于各种工业应用,例如由 5 枚锂离子电池供电的电动工具。该功率级参考设计使用单个低功耗蓝牙 (BLE) MCU 进行无线连接和三相无刷直流 (BLDC) 电机梯形控制,在单个板上进行设计,从而降低了 BOM 以及总成本。该设计即使在功率级驱动电机时也能够表现出 –96dBm 的 BLE RX 灵敏度,从而体现射频性能的稳健性。该设计还展示了具有过流和短路保护功能(通过 MOSFET VDS 感应提供)的小尺寸功率级。
特性
- 单个 MCU 集成了电机控制功能和 BLE 连接
- 工作电压为 6V 至 21.6V 的 600W BLDC 电机驱动器支持 27ARMS 连续绕组电流,无需散热片,采用 70mm x 45mm 的小外形尺寸
- 使用 61μA/MHz Cortex M3 MCU 以及基于专有内核的附加传感器控制器提供蓝牙 5.0 SimpleLink™ 解决方案
- 最佳的 RX 灵敏度:即使在电机运行时也为 –96dBm(大约值)
- BLE 超低功耗运行,平均电流小于 10µA,连接间隔为 1s,睡眠电流为 1µA
附件下载
Assembly drawing-TIDRTQ8.pdf
Bill of materials (BOM)-TIDRTQ7.pdf
Design Guide-ZHCU327.pdf
Gerber file-TIDCE22A.zip
PCB layout-TIDRTQ9A.pdf
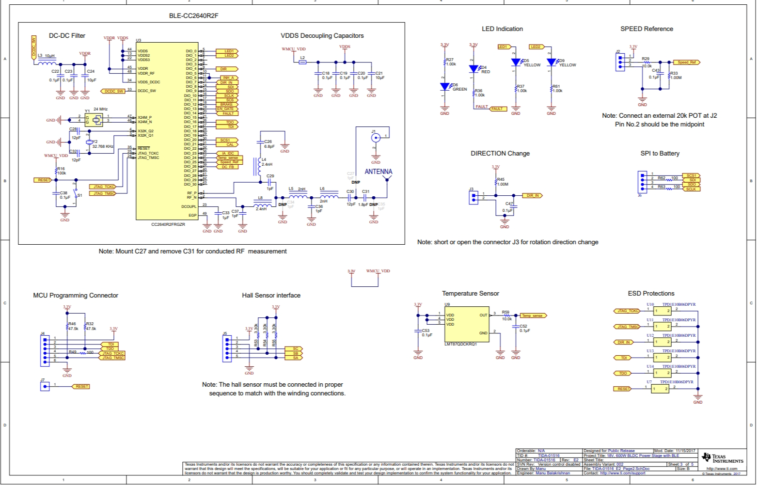
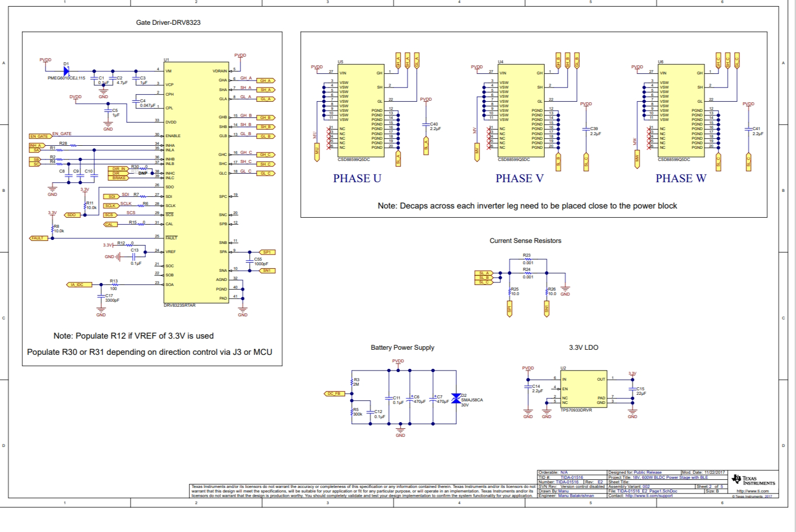
Schematic-TIDRTQ6.pdf
原理图PDF
全屏
评论
0 / 100
查看更多
