内容介绍
内容介绍
项目来源:NUCLEO-F756ZG
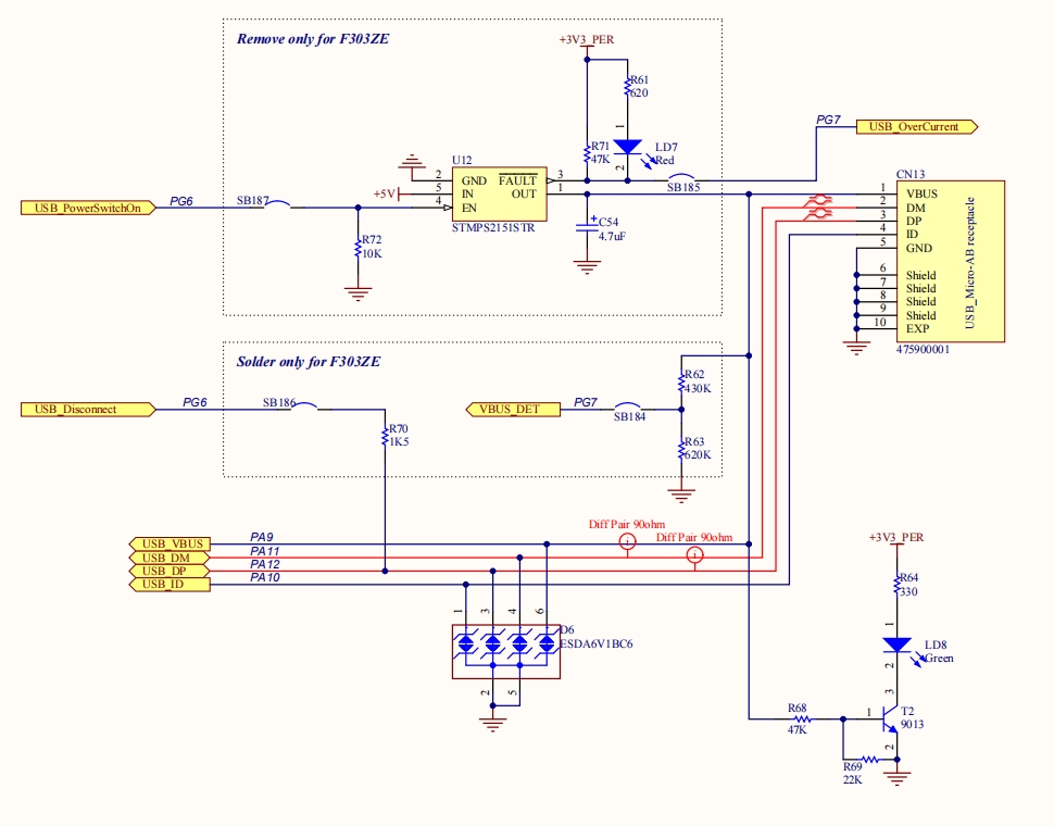
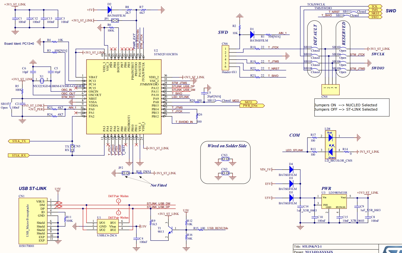
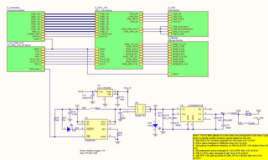
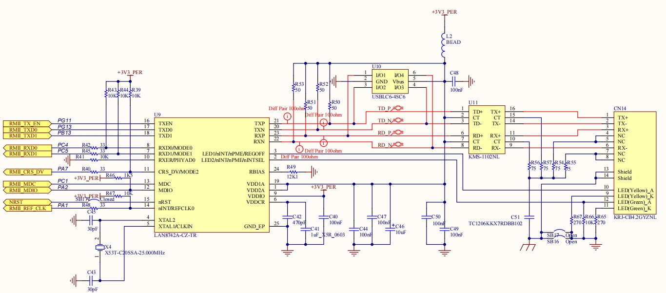
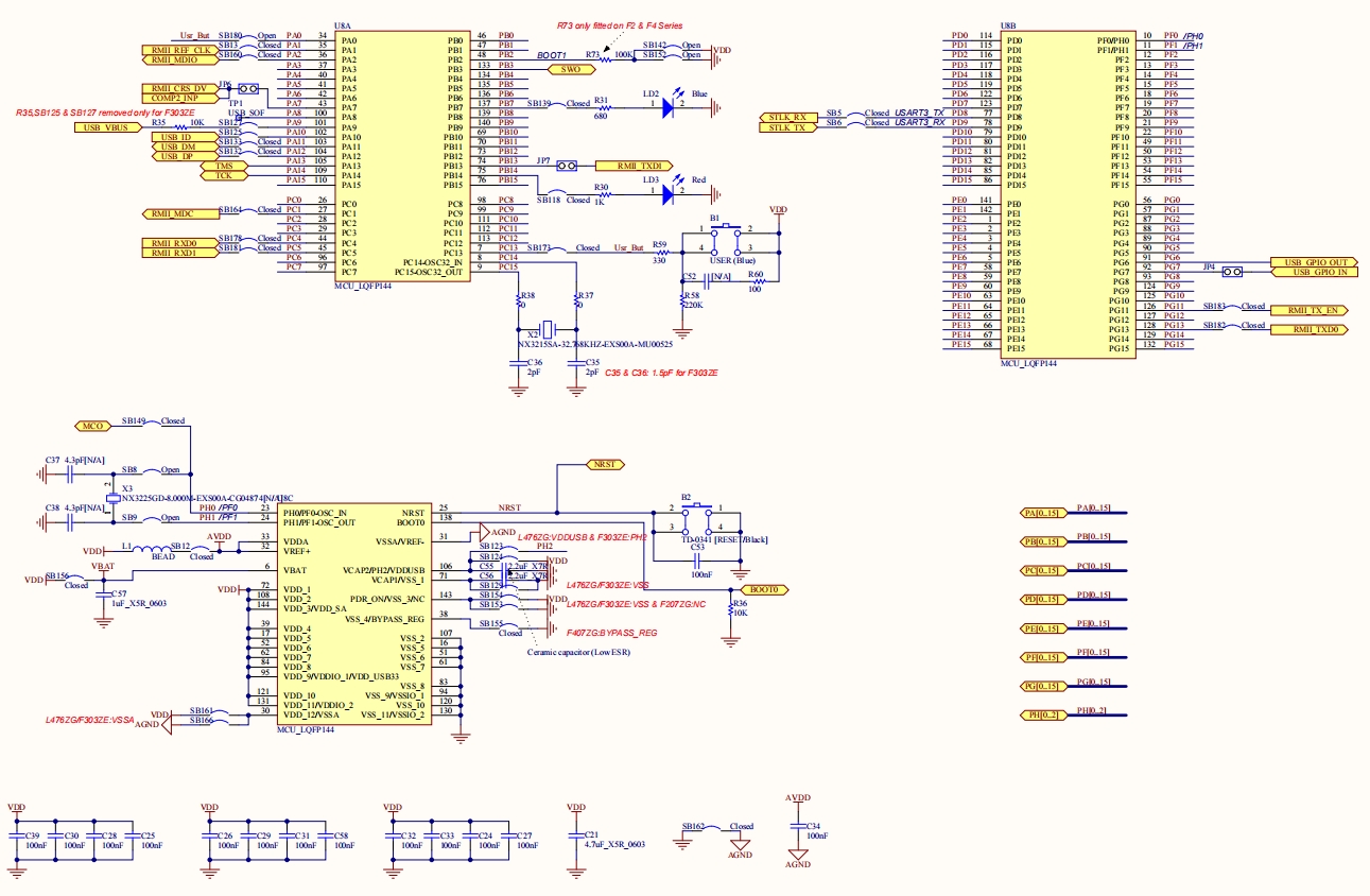
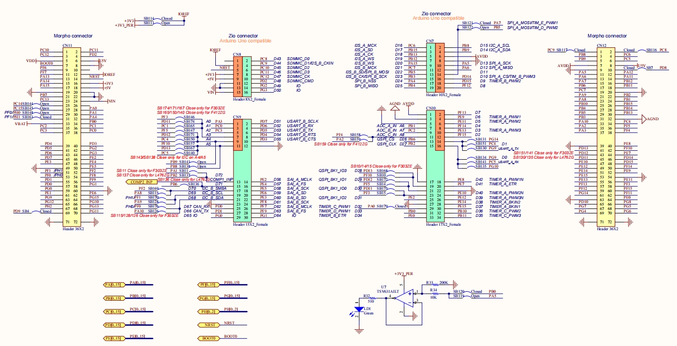
STM32 Nucleo-144开发板为开发者提供了一种经济且灵活的工具,用于探索新理念和快速原型制作。基于STM32微控制器,它结合了多样化的性能和功耗特性。该板设计兼容内部或外部SMPS,有效降低运行时的能耗。特性包括LQFP144封装的STM32微控制器、三个用户LED、两个用户按钮以及一个复位按钮,和一个32.768 kHz的晶体振荡器。此外,它配备了SWD/ST Zio扩展连接器,兼容Arduino Uno V3和ST morpho扩展。供电选项多样,包括ST-LINK、USB VBUS或外部电源。板上集成了具备USB重新枚举功能的ST-LINK调试器/编程器,支持大容量存储、虚拟COM端口和调试端口。开发板受益于STM32Cube MCU软件包提供的全面免费软件库和例程,并支持多种IDE,如IAR、Keil和STM32CubeIDE。特定板载功能包括外部或内部SMPS生成的Vcore逻辑电源、符合IEEE-802.3-2002规范的以太网、USB OTG全速或仅设备模式,以及Micro-AB或USB Type-C接口。此外,它还兼容Arm Mbed Enabled。
附件下载
PCB生产文件-en.nucleo_144pins_gerber.zip
其他文件-en.nucleo_144pins_sch.zip
物料清单文件-en.nucleo-f756zg_bom.zip
nucleo-f767zi.pdf
open_platform_license_agreement.pdf
tn1235-overview-of-stlink-derivatives-stmicroelectronics.pdf
stm32_eval-tools_portfolio.pdf
um1727-getting-started-with-stm32-nucleo-board-software-development-tools-stmicroelectronics.pdf
um1974-stm32-nucleo144-boards-mb1137-stmicroelectronics.pdf
评论
0 / 100
查看更多
