内容介绍
内容介绍
项目来源:EVL62XX-MAIN
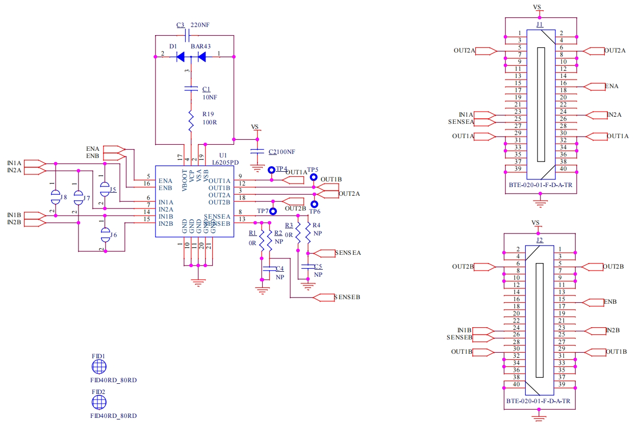
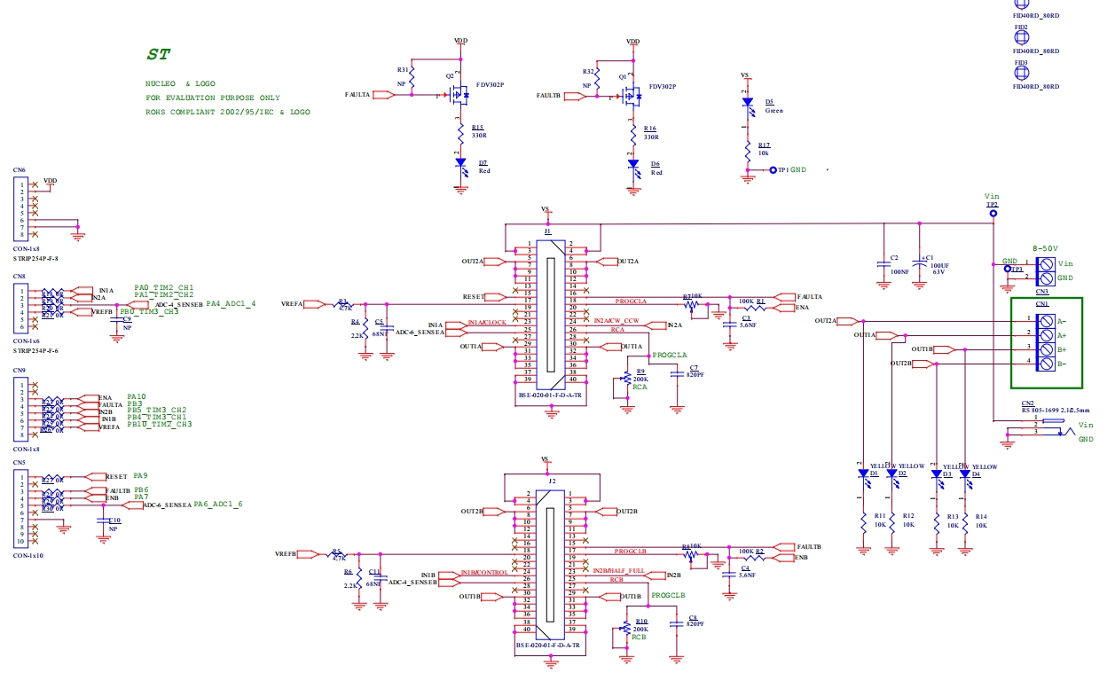
EVL62XX-MAIN是一款扩展板,专为快速简便地评估L62xx系列的直流刷式和步进电机驱动器而设计。该板支持电压范围从8伏至52伏,并且能够承载高达2.8安培RMS(对于L6205、L6206、L6207和L6208设备)或1.4安培RMS(对于L6225、L6226、L6227和L6228设备)的相位电流。它具有易于互换的插件板,可以迅速评估整个L62xx系列的步进和直流刷驱动器。此外,EVL62XX-MAIN还具备可编程的高侧过流保护(L6206和L6226设备),可编程的PWM电流控制关断时间(L6207、L6227、L6208和L6228设备),并且与Arduino UNO R3连接器兼容,符合RoHS标准。
附件下载
PCB生产文件-en.EVL62xx-MAIN_Gerber.zip
原理图-en.EVL62XX-KIT_schematics.zip
物料清单文件-en.BOM_EVL62XX-MAIN.pdf
um2871-dual-brush-dc-motor-and-stepper-motor-evaluation-kit-stmicroelectronics.pdf
evl6208-plug.pdf
brfactory_web.pdf
评论
0 / 100
查看更多
