内容介绍
内容介绍
项目来源:STEVAL-ILL072V1
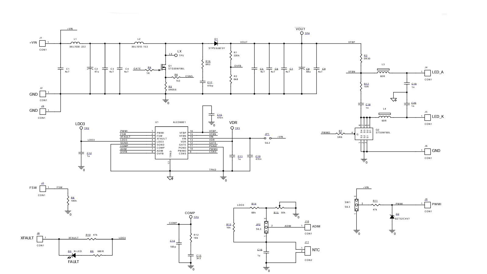
本评估板旨在展示使用ALED6001芯片的单通道、大电流LED驱动器的应用实例,该芯片采用升压拓扑结构运行。连接到其输出的LED串的亮度可以通过PWM信号(0% - 100%调光)或控制电压(10:1模拟调光)进行控制。评估板能够检测并管理开路LED、反馈断开和LED过电流故障情况。该板设计紧凑,为所有涉及多个LED排列成单串的汽车应用,尤其是日间行车灯(DTRL),提供了一个示例解决方案。它具备宽广的直流输入电压范围(8V - 24V),单通道提供1000mA恒定电流输出,并具有PWM亮度控制功能,工作在500kHz的开关频率下,可驱动高达10个高亮度白光LED(具有40V的过压保护阈值)。在12V输入电压、32V输出电压和1A输出电流条件下,效率高达92%。所有组件均符合汽车级标准,且产品符合RoHS标准。
附件下载
PCB生产文件-en.steval-ill072v1_gerber.zip
原理图-en.steval-ill072v1_schematic.pdf
物料清单文件-en.steval-ill072v1_bom.pdf
steval-ill072v1.pdf
原理图PDF
全屏
评论
0 / 100
查看更多
