内容介绍
内容介绍
项目来源:STEVAL-IDS001V4M
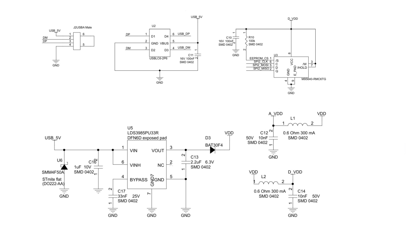
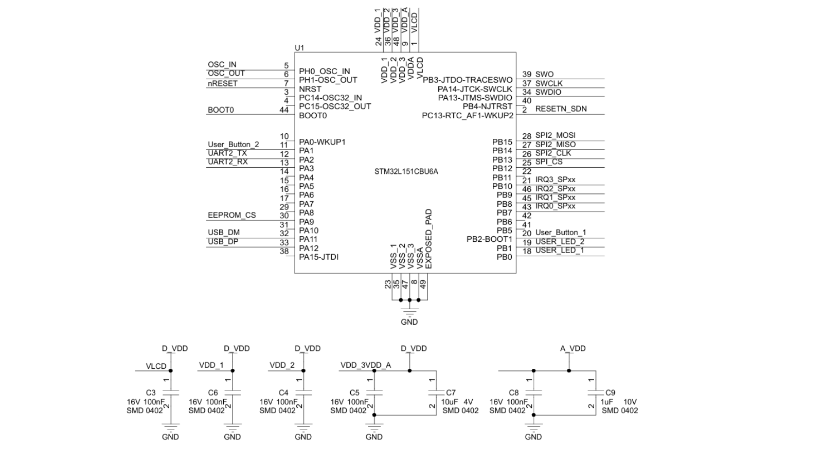
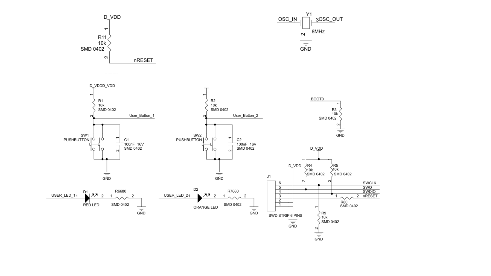
STEVAL-IDS001V4M评估板是一款基于SPSGRF-868 CE认证的RF模块和SPIRIT1低功耗sub-1GHz收发器,并内置了STM32L151CBU6A超低功耗ARM Cortex-M3微控制器单元(MCU)。该模块特点包括低数据速率、低功耗的sub-1GHz SPIRIT1收发器、集成的BALF-SPI-01D3平衡器和芯片天线。评估板还搭载了STM32L151CBU6A微控制器,支持2-FSK、GFSK、MSK、GMSK、OOK和ASK等多种调制方案,数据速率范围从1到500 kbps。它完全兼容SPIRIT1开发套件的固件和图形用户界面(GUI),并提供调试连接器和USB接口。
附件下载
PCB生产文件-en.steval-ids001v4m_gerber.zip
原理图-en.steval-ids001v4m_schematic.pdf
物料清单文件-en.steval-ids001v4m_bom.pdf
steval-ids001v4m.pdf
原理图PDF
全屏
评论
0 / 100
查看更多
