内容介绍
内容介绍
项目来源:STEVAL-IPE014V1
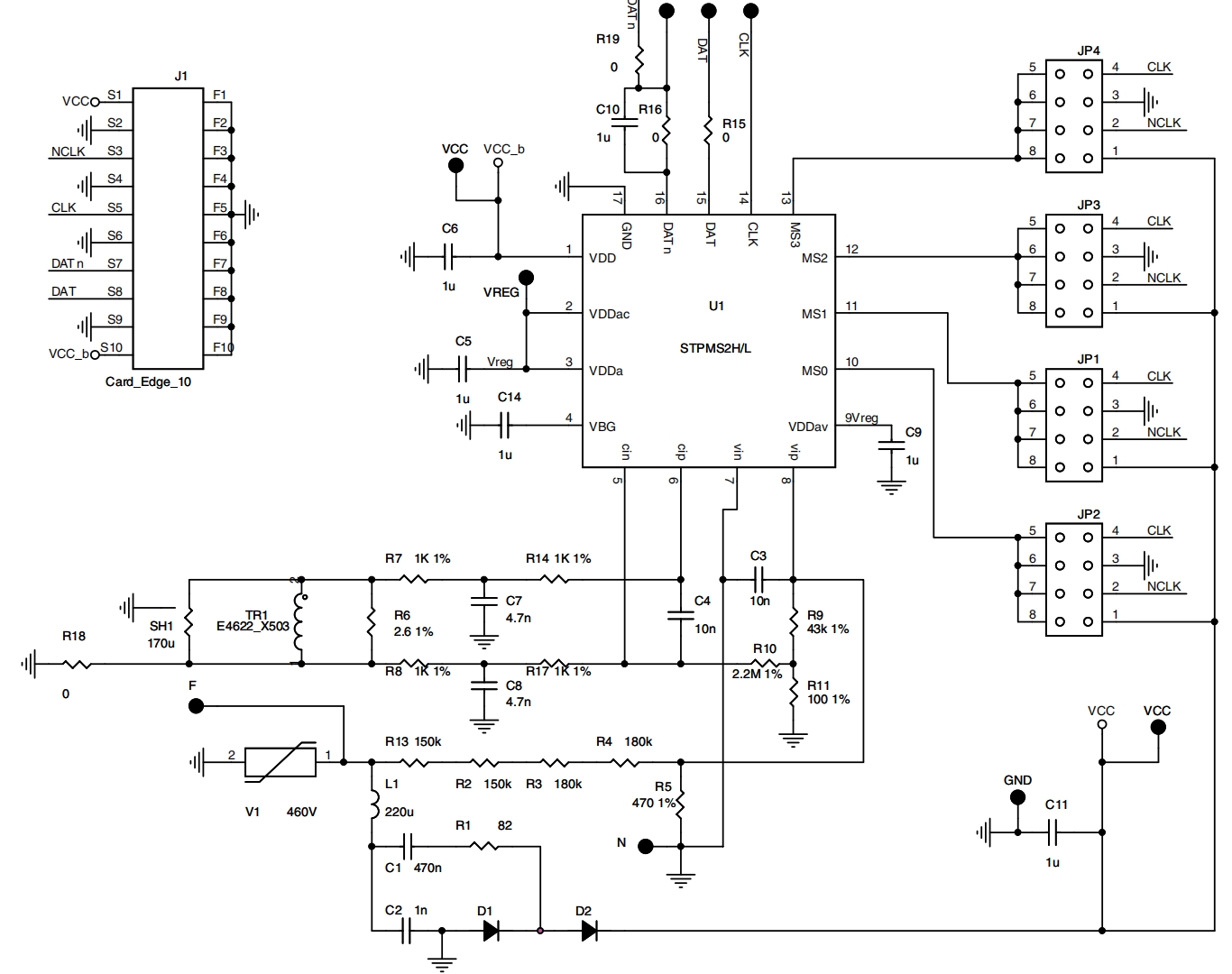
STDES-IPE014V1是一款基于STPMS2“智能传感器”设备设计的子板,旨在与基于STPMC1的STEVAL-IPE010V1主板配合使用。结合使用时,该系统提供一个完整的即用型电能表应用。连接到主板后,每个STDES-IPE014V1子板服务于一个单相,将电压和电流信息转换和多路复用,并将数据流发送到STPMC1电能计算集成电路。该系统具有模块化和可编程的特点,支持多种电表配置,包括三相四线RSTN、四系统RSTN(防篡改)、额外模块所需的三相三线RST、三系统RST(防篡改)、三相三线RST、两系统R_T_(Aron)、两相三线_STN、两系统_ST_(美洲)、单相两线_TN、两系统_ST_(防篡改)、单相两线_TN、一系统_T等。具有4个LED指示器,用于显示功率、无负载情况、防篡改检测、反向电流方向。内置电容式电源供应,电流通道隔离。符合RoHS标准。
附件下载
原理图-en.steval-ipe014v1_schematic.pdf
物料清单文件-en.steval-ipe014v1_bom.pdf
um1059-the-stpmc1-and-stpms2-evaluation-kit-stmicroelectronics.pdf
steval-ipe014v1.pdf
es0285-hardware-patch-required-for-some-stmicroelectronics-multiphase-energy-meter-evaluation-boards-stmicroelectronics.pdf
brmeter.pdf
PCB生产文件-en.steval-ipe014v1_gerber.zip
原理图PDF
全屏
评论
0 / 100
查看更多
