内容介绍
内容介绍
项目来源:STEVAL-ILL090V1
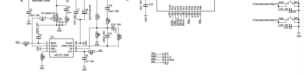
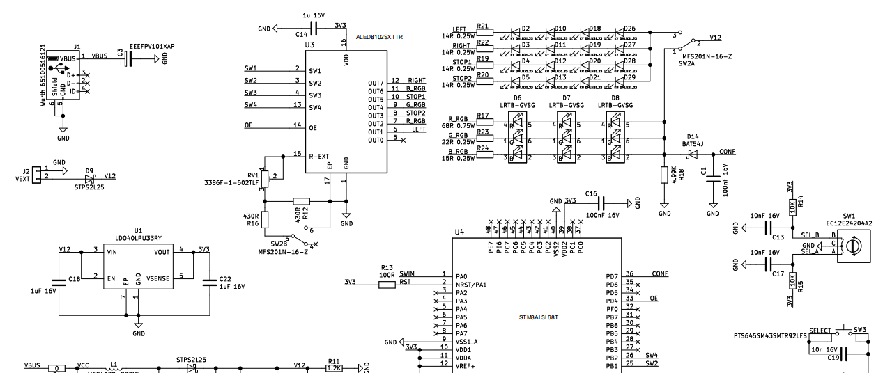
STEVAL-ILL090V1评估板基于AL ED8102SXTTR LED驱动器,由STM8微控制器直接控制。该评估板能够同时驱动两种不同的LED配置。STM8微控制器负责控制AL ED8102SXTTR,提供两种操作模式:手动和演示模式。此外,该评估板符合RoHS和中国RoHS标准,以及WEEE指令(2012/19/UE RAEE II)。
附件下载
PCB生产文件-en.steval-ill090v1_gerber.zip
原理图-en.steval-ill090v1_schematic.pdf
物料清单文件-en.steval-ill090v1_bom.pdf
产品规格-en.steval-ill090v1.pdf
原理图PDF
全屏
评论
0 / 100
查看更多
