内容介绍
内容介绍
项目来源:X-NUCLEO-AMICAM1
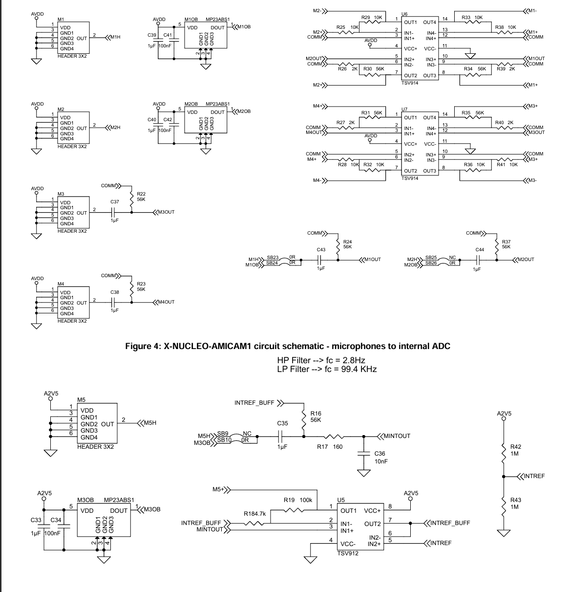
X-NUCLEO-AMICAM1 扩展板支持最多 4 个麦克风的同步采集和传输,最高采样率高达 192 kHz。板上集成了 3 个 MP23ABS1 模拟 MEMS 麦克风,并提供 5 个插槽用于插入模拟麦克风优惠券板(例如 STEVAL-MIC004V1)。该板能够实现最多 4 个麦克风的同步采集和流式传输,采用基于 TSV91x 宽带运算放大器的放大阶段。板载外部 ADC 支持直接采集单个麦克风信号,利用 STM32 嵌入式 ADC 进行直接采集,支持最高 192 kHz 的采样频率。提供全面的开发固件库以及与 STM32Cube 兼容的音频捕获加 USB 流式传输的示例应用程序。兼容 STM32 Nucleo 开发板,配备 ST morpho 连接器(顶部和底部)和 Arduino UNO R3 连接器(顶部),允许多个板叠加使用。符合 RoHS 和 WEEE 标准。
附件下载
PCB生产文件-en.x-nucleo-amicam1_gerber.zip
原理图-en.x-nucleo-amicam1_schematic.pdf
物料清单文件-en.x-nucleo-amicam1_bom.pdf
x-nucleo-amicam1.pdf
um2649-getting-started-with-the-xnucleoamicam1-analog-mems-microphone-expansion-board-based-on-mp23abs1-for-stm32-nucleo-stmicroelectronics (1).pdf
原理图PDF
全屏
评论
0 / 100
查看更多
