内容介绍
内容介绍
EV-SC594-SOM是一款针对ADSP-SC59x系列SHARC音频处理器的参考设计模块,适用于设计评估和快速原型制作。它提供了一个易于使用的即插即用型设计,具有高度的扩展性,允许在处理器发布之前与定制硬件进行接口。通过将EV-SC594-SOM板插入EV-SOMCRR-EZKIT载波板,可以构建EZ-KIT®评估系统(EV-SC594-EZKIT),从而快速轻松地评估处理器内核和系统外设/接口。
EV-SC594-SOM适用于多种应用场景的快速原型制作,包括沉浸式3D音效、个人音频区(PAZ)、汽车主动降噪和路噪降噪(ANC/RNC)、基于语音的用户界面和车内通信(ICC)、发动机声音合成(ESS)、电动车辆警告音响系统(EVWSS/AVAS)等。此外,它也适用于专业音频、条形音箱/家庭AVR、3D对象和多声道音频,以及增强会议系统等。
ADI公司提供了多种软件模块和完整的软件解决方案,以支持用户开发和评估音频及语音处理应用,包括AEC/NR、麦克风波束形成、音调调整、谐波发生器和波播放器等。同时,还提供了对ADI SHARC处理器系列的第三方环绕声解决方案的访问权限。
EV-SC594-SOM模块利用CrossCore® Embedded Studio (CCES)开发工具,加速产品开发流程。CCES支持使用C++、C和汇编语言编写的应用程序的创建、汇编、链接,以及应用程序的加载、运行、调试和内存读写。
附件下载
物料清单文件-ev-sc594-som-bom.xlsx
EV-SC594-SOM Schematic (Rev. B).pdf
EV-SC594-SOM Manual.pdf
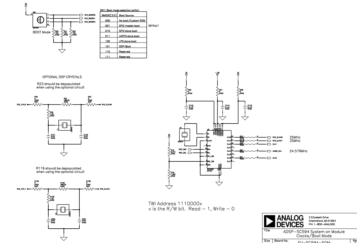
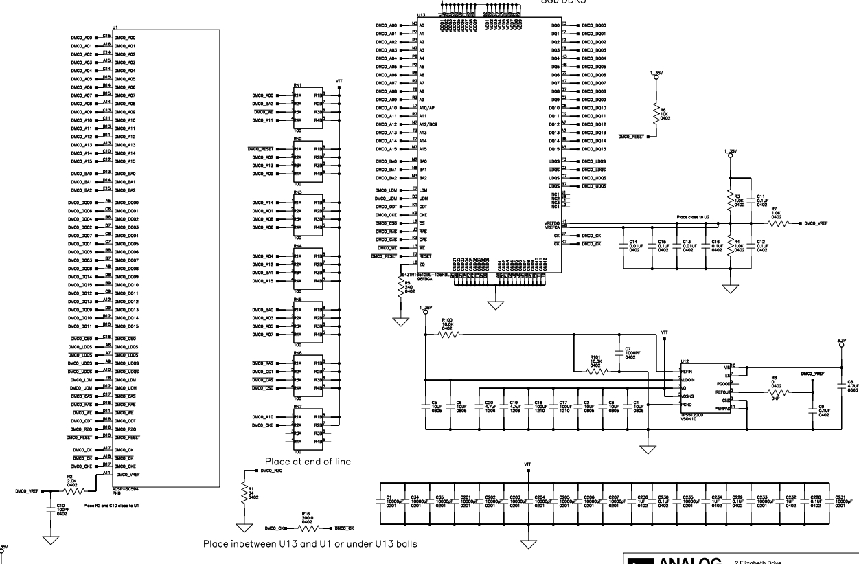
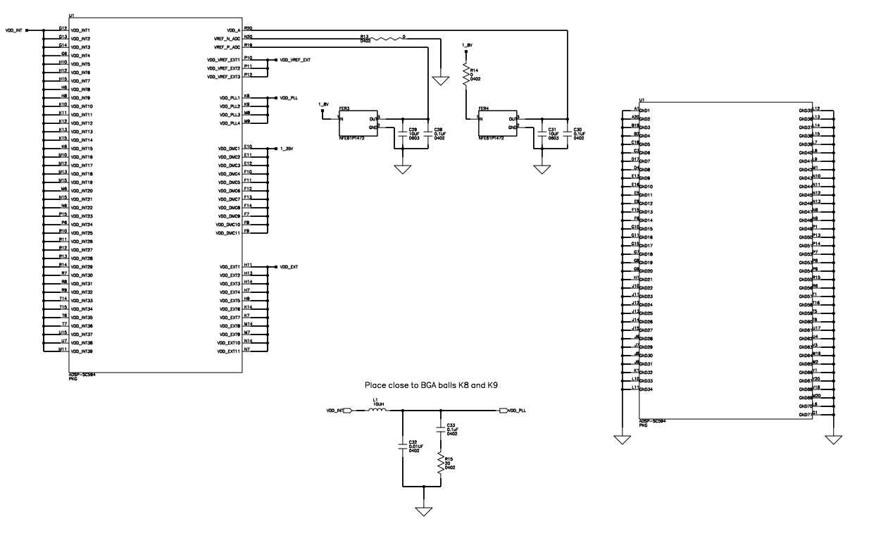
原理图PDF
全屏
评论
0 / 100
查看更多
