内容介绍
内容介绍
项目来源:MAX77757评估套件
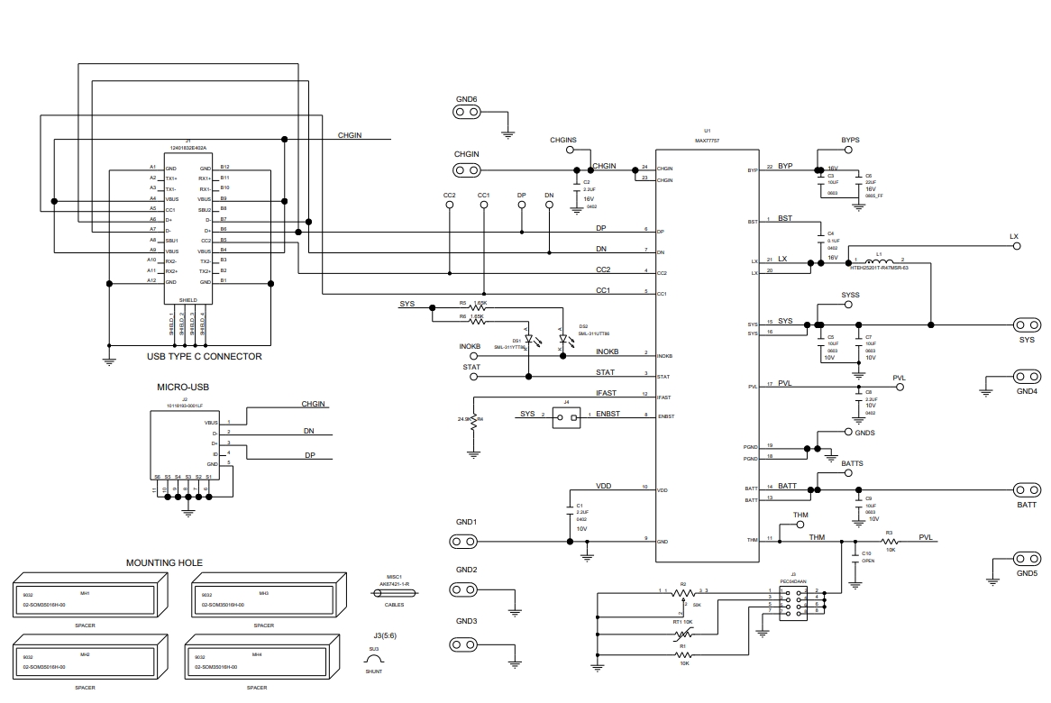
MAX77757评估套件(EV套件)是一个经过完全组装和测试的印刷电路板(PCB),它展示了MAX77757芯片的功能,这是一款支持JEITA标准的独立3.15A USB Type-C®自主充电器。该芯片设计用于在4.5V至13.7V的宽输入电压范围内工作,提供高达3.15A的快速充电电流,并具备3A的最大输入电流限制。MAX77757芯片有多种版本,以适应不同终止电压(从4.1V到4.5V)的锂离子电池,同时也支持具有3.6V终止电压的磷酸铁锂电池。评估套件具备USB Type-C CC(配置通道)检测功能,符合USB电池充电规范修订版1.2(BC1.2),能够在输入插入时进行专有适配器检测,并自动配置充电器输入电流限制以适应输入源的最大允许电流。此外,MAX77757还具有反向升压功能,通过ENBST引脚激活,能够向CHGIN提供5.1V/1.5A的输出。评估套件还包括可变电阻和热敏电阻,以展示对JEITA标准的符合性。
附件下载
MAX77757HEVKIT360-MAX77757JEVKIT435.pdf
评论
0 / 100
查看更多
