内容介绍
内容介绍
项目来源:ADuM4221 评估板
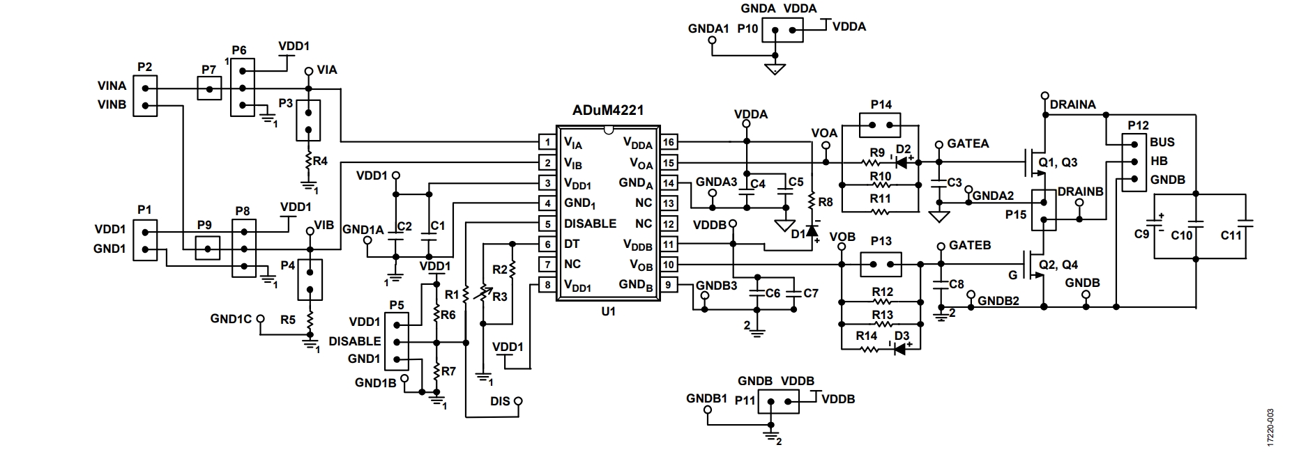
EVAL-ADuM4221EBZ 兼容 ADuM4221 半桥栅极驱动器,该驱动器采用 ADI公司的 iCoupler® 技术实现独立和隔离的高端和低端输出。EVAL-ADuM4221EBZ 配备具有 VIA 和 VIB 输入以及死区时间控制的 ADuM4221。EVAL-ADuM4221EBZ 配备适用于不同驱动条件的跳线和螺丝 端子。EVAL-ADuM4221EBZ 在 VIA,VIB 和 DISABLE 引脚上使用方波和直流进行工作。 ADuM4221 在 2.5 V 到 6.5 V 的输入电压范围内运行,兼容较低的电压系统。输入引脚上的逻辑电平电压控制 VOA 和 VOB 输出。驱动器具有一个 DISABLE 输入引脚,如果该引脚保持高电平,则无论通道上的输入如何,都会将其关闭。除了基本的重叠保护外,初级侧的死区时间 (DT) 引脚还允许在 VOA 和 VOB 输出转换之间调整死区时间。 ADuM4221 在二次侧提供高达 35 V 的工作电压。EVAL-ADuM4221EBZ 提供了将高端电源自举到低端电源的措施。EVAL-ADuM4221EBZ 有助于测试传播延迟,驱动强度,空载时间操作以及器件的输入逻辑。由于 EVAL-ADuM4221EBZ 的尺寸用于 TO-220 和 TO-252 封装的绝缘栅双极型晶体管 (IGBT) 和金属氧化物半导体场效应晶体管 (MOSFET),因此 ADuM4221 可以使用许多不同的功率器件进行评估。 有关 ADuM4221 的完整信息,请参阅 ADuM4221 数据手册,使用评估板时应同时参阅该数据手册和本用户指南。
软硬件
元器件
附件下载
使用说明文件-19052.pdf
评论
0 / 100
查看更多

