内容介绍
内容介绍
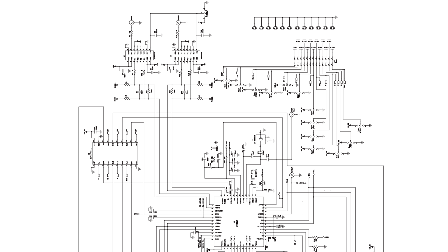
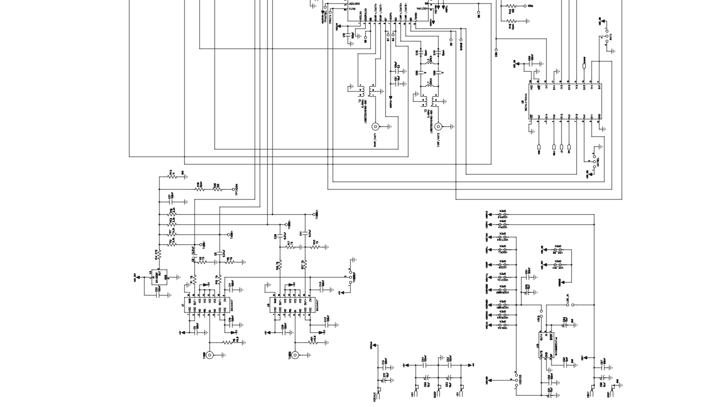
项目来源:MAX2830评估板
MAX2830评估板(EV kit)是为测试MAX2830在2.4GHz至2.5GHz ISM频段的802.11g/b应用中的接收和发射性能而设计的。该评估板配备了50Ω SMA连接器,适用于所有射频(RF)和基带的输入输出。此外,评估板还提供了差分至单端和单端至差分的线路驱动器,以实现差分I/Q基带输入输出与单端之间的转换。这款评估板适用于各种2.4GHz ISM无线设备,如Wi-Fi设备、PDA、VoIP电话和蜂窝手机,以及无线扬声器和耳机。
附件下载
MAX2830EVKIT:Evaluation Kit for the Max2830 Data Sheet(Rev.3).pdf
MAX2830EVKIT BOM.pdf
RF和混合信号PCB的一般布局指南.pdf
评论
0 / 100
查看更多
