内容介绍
内容介绍
项目来源:MAX1168评估板/评估系统
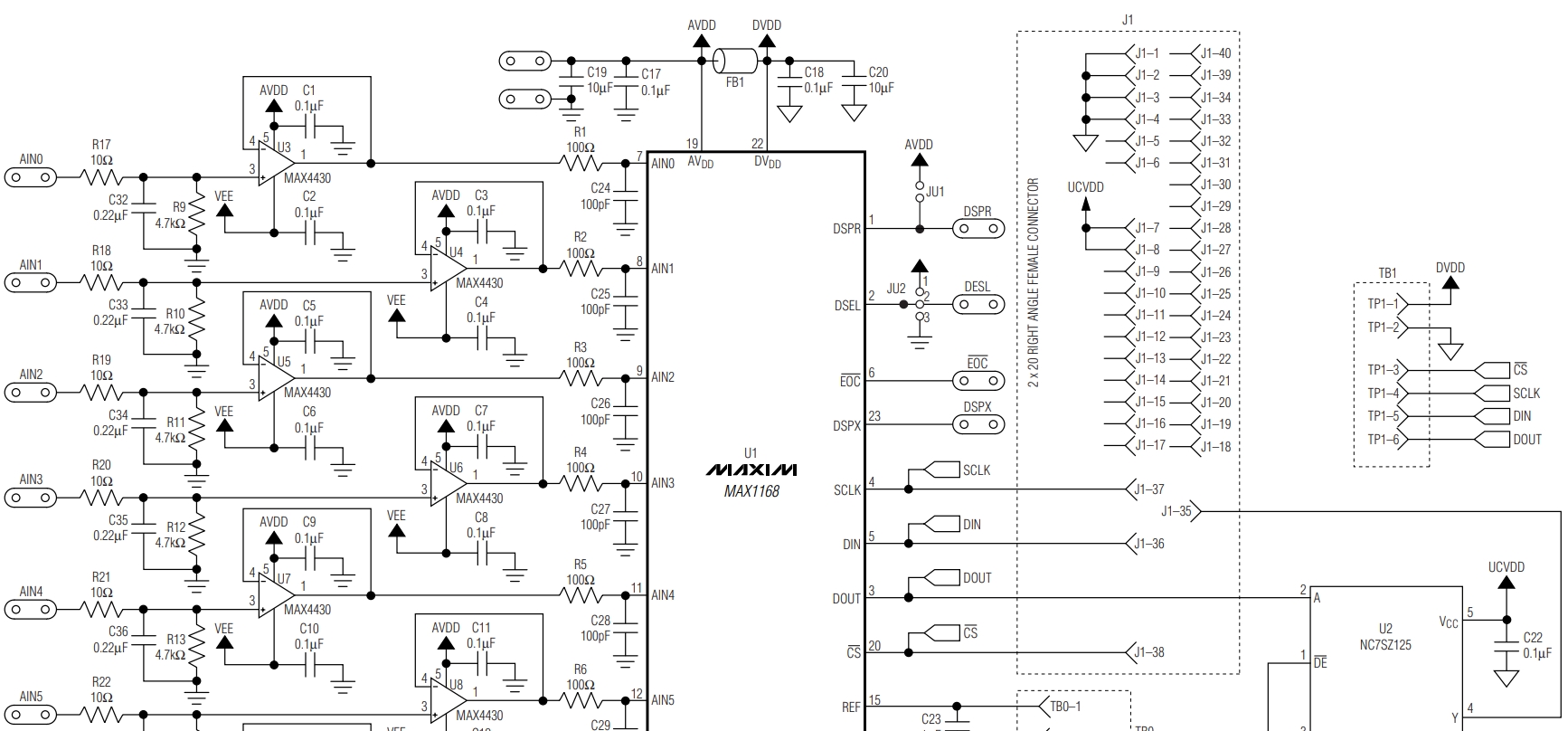
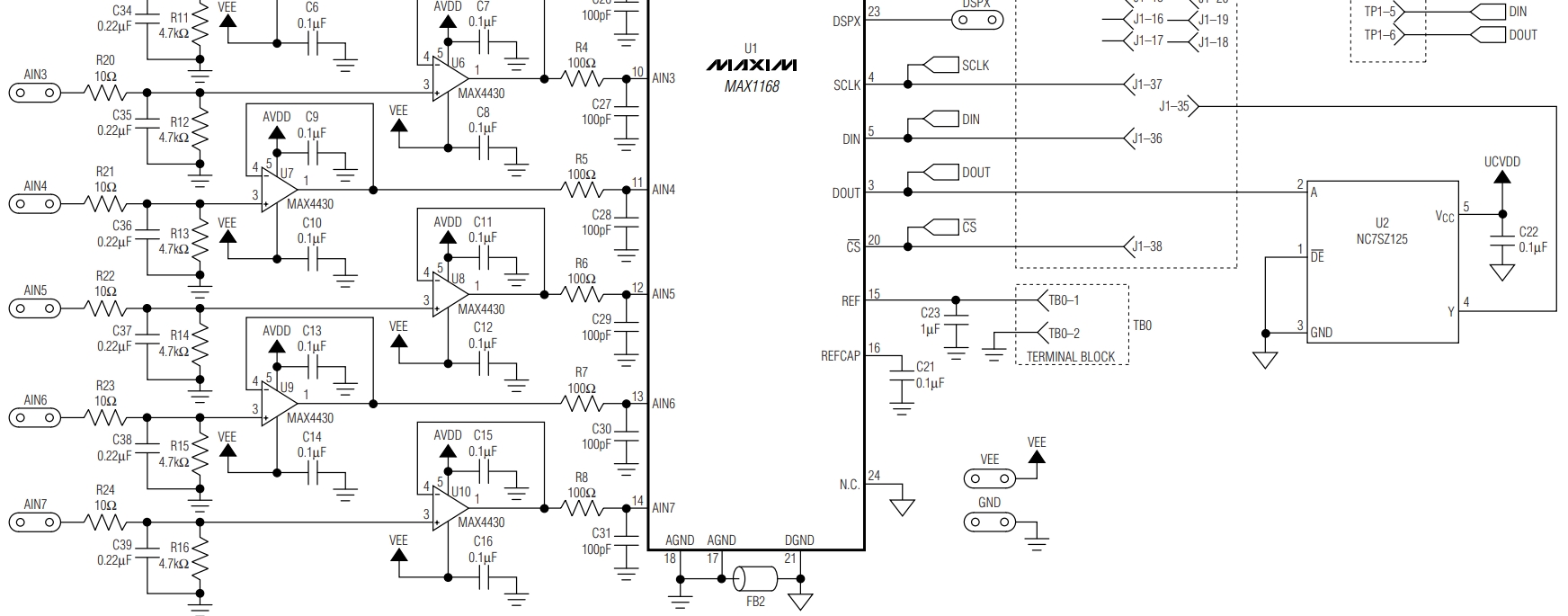
MAX1168评估系统(EV system)是一个全面的8通道16位数据采集解决方案,由MAX1168评估板(EV kit)、Maxim 68HC16MODULE-DIP微控制器(µC)模块和USBTO232组成。若您需要使用个人计算机(PC)对MAX1168进行详尽的评估,建议购买完整的评估系统(型号为MAX1168EVC16)。如果您已经拥有68HC16MODULE-DIP模块,或者打算将其用于其他基于微控制器的系统,可以单独购买评估板(型号为MAX1168EVKIT)。该系统适用于多种应用,包括加速计测量、数据采集系统、工业I/O模块、工业过程控制、电机控制和热电偶测量等。
附件下载
使用说明文件-4049.pdf
评论
0 / 100
查看更多
