内容介绍
内容介绍
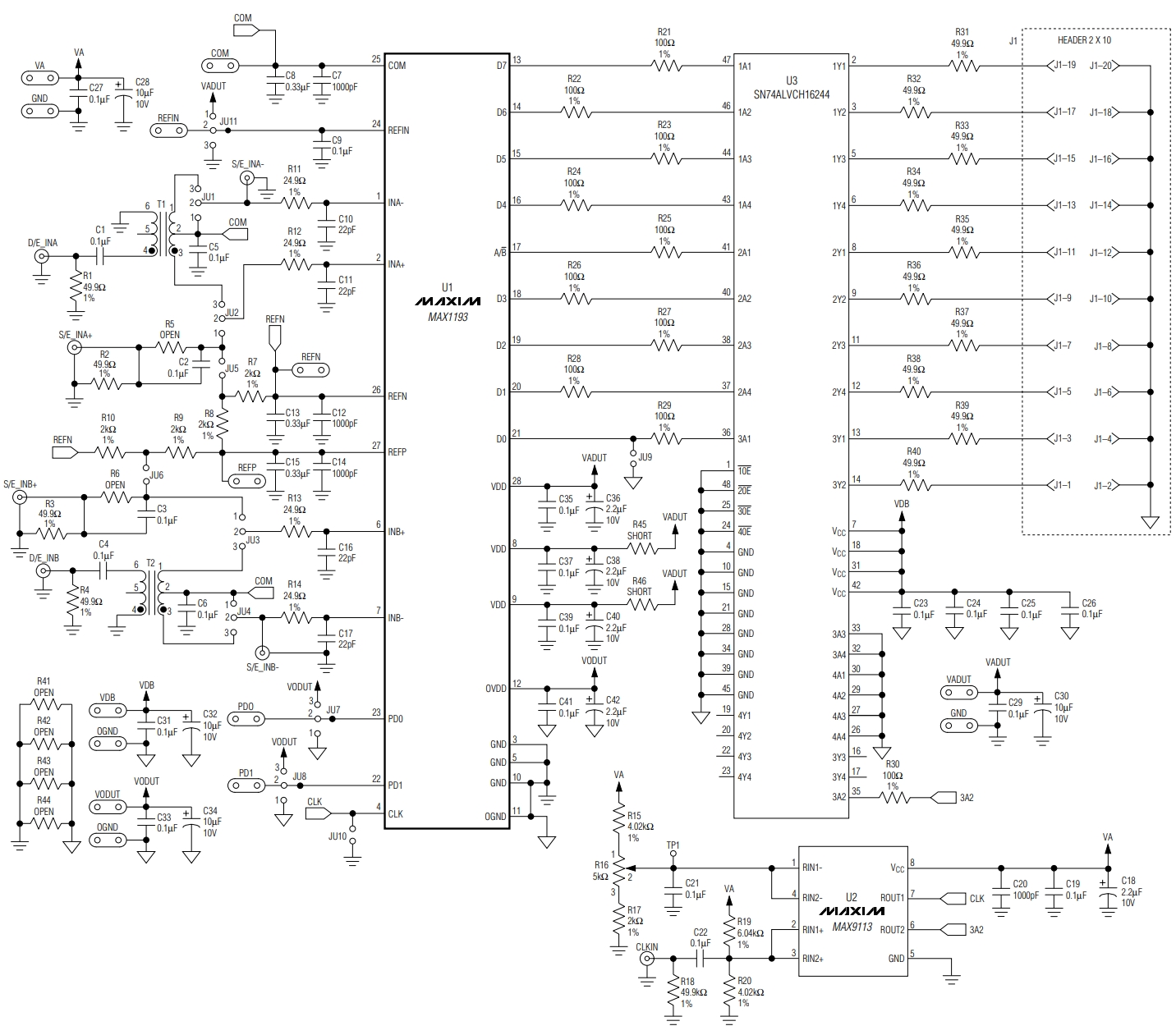
MAX1193评估板(EV kit)是一款全面装配并经过测试的电路板,专门用于评估MAX1191、MAX1192和MAX1193这三款双通道8位模拟/数字转换器(ADC)。这些ADC能够接受交流(AC)或直流(DC)耦合的差分或单端模拟输入。ADC产生的数字输出可以方便地通过用户自备的高速逻辑分析仪或数据采集系统进行采样和分析。评估板的运行需要3.3V的模拟电源和2.5V的数字电源供电,并包括一个将交流正弦波信号转换为时钟信号的电路。评估板预装了MAX1193器件,如果需要评估引脚兼容的MAX1191或MAX1192器件,可以联系工厂申请免费样品。该评估板适用于多种应用,如电池供电便携式仪表、IQ基带采样、低功耗视频、超声和医学成像、WLAN、移动DSL和WLL接收机等。
附件下载
使用说明文件-4019.pdf
评论
0 / 100
查看更多
