内容介绍
内容介绍
项目来源:MAX1416评估板/评估系统
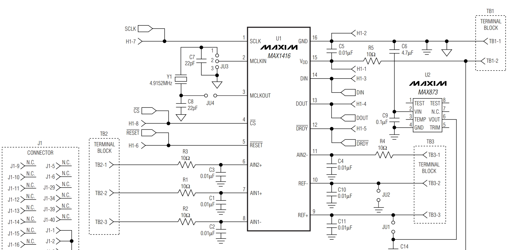
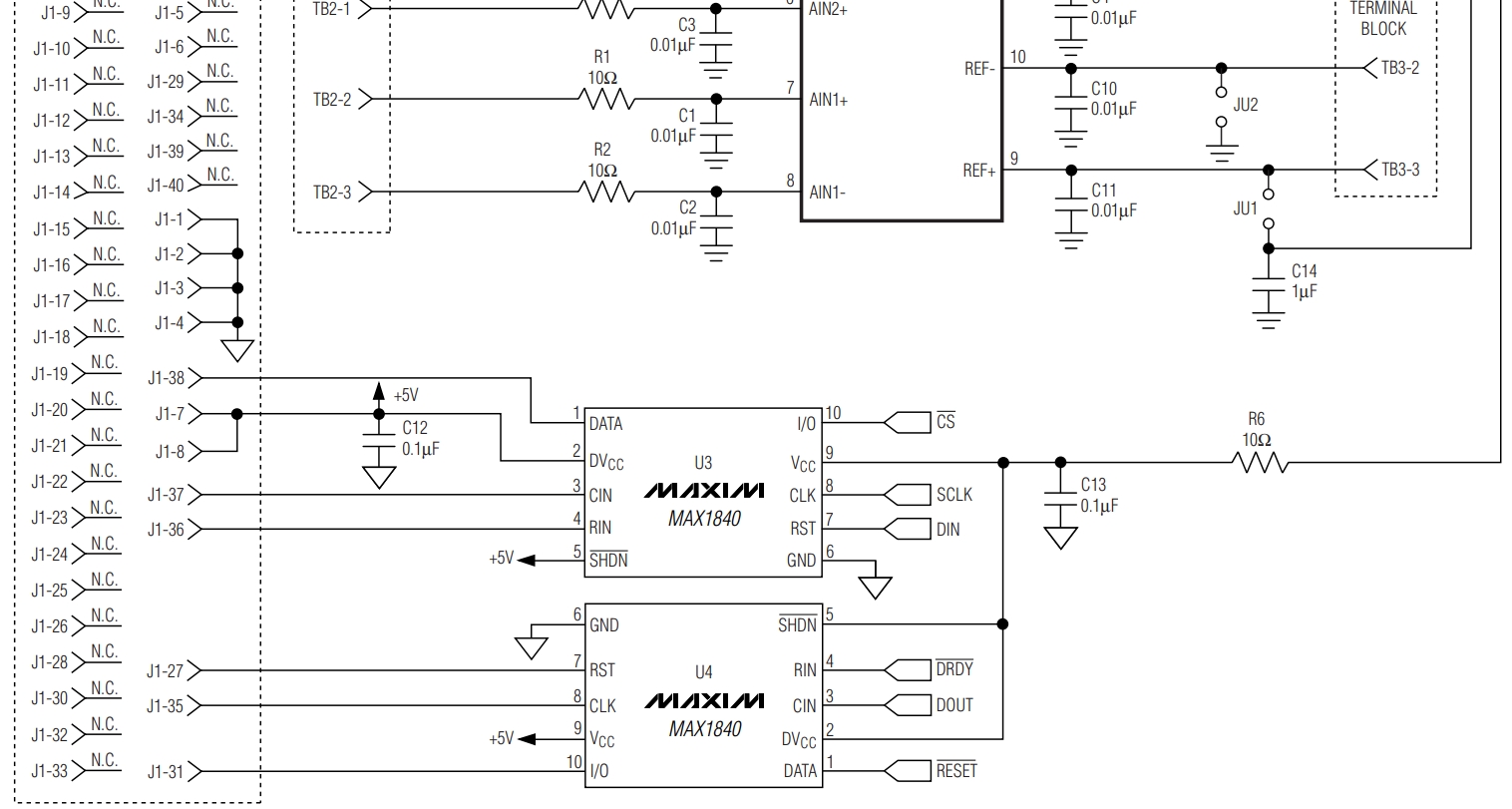
MAX1416评估板(EV kit)是一款经过全面组装和测试的印刷电路板(PCB),用于展示MAX1416这一多通道、16位、Sigma-Delta数据采集系统的功能。该评估板与Windows® 98/2000/XP兼容的软件相结合,提供了一个用户友好的界面,以便用户能够方便地评估和使用MAX1416。如果想要在个人计算机上全面评估MAX1416,可以订购完整的评估系统(EV system),型号为MAX1416EVC16。如果已经拥有先前购买的Maxim EV系统中的68HC16MODULE-DIP模块,或者需要在其他基于微控制器的系统中使用,可以单独订购MAX1416EVKIT评估板。此外,如果需要评估MAX1415或MX7705,可以分别申请这两种芯片的免费样品。
附件下载
使用说明文件-4213.pdf
评论
0 / 100
查看更多
