内容介绍
内容介绍
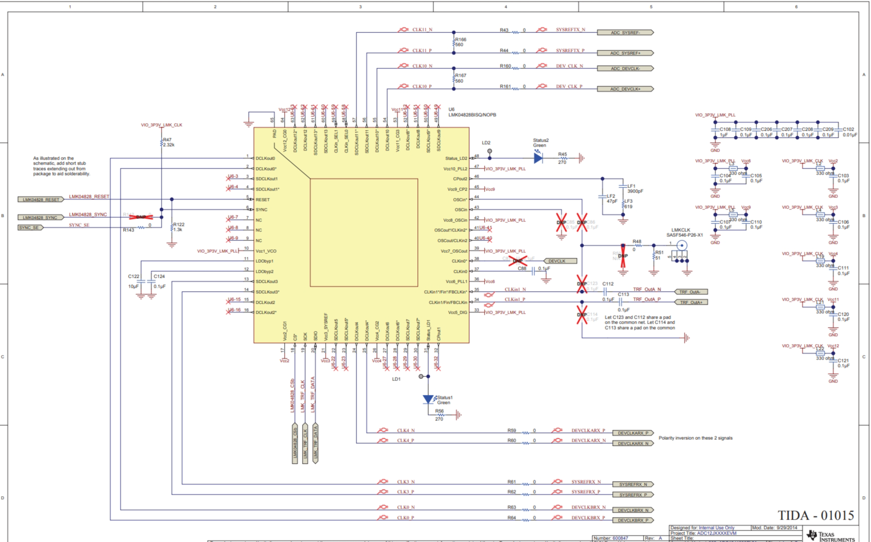
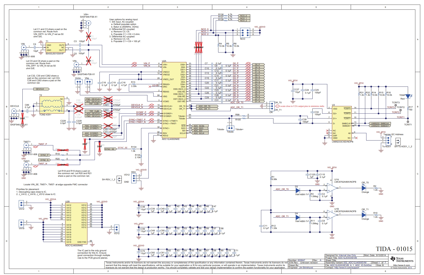
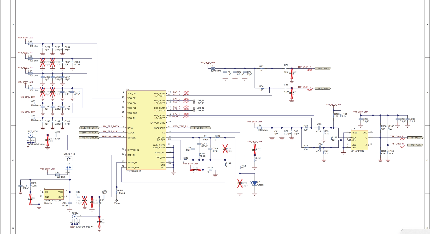
TIDA-01015 是一款适合高速直接射频采样 GSPS ADC 的时钟解决方案参考设计。该参考设计展示了采样时钟在为第二奈奎斯特区域输入信号频率实现高 SNR 方面的重要性。ADC12J4000 是一款 12 位 4GSPS 射频采样 ADC,具有 3.2GHz 的 3dB 输入带宽,能够捕获高达 4GHz 的信号。此参考设计突出了一款适合 ADC12J4000 的时钟解决方案,该器件采用 TRF3765,以在高输入频率条件下实现高 SNR 性能,适用于数字存储示波器 (DSO) 和无线测试仪等应用。
特性
- 12 位 4GSPS 射频采样 ADC 时钟解决方案
- 高达 4GHz 的输入信号捕获能力
- 适用于射频采样 ADC 的 JESD204B 兼容型低相位噪声时钟解决方案
附件下载
Assembly drawing-TIDRP57.pdf
Bill of materials (BOM)-TIDRP56.pdf
Design Guide-TIDUCP0.pdf
Gerber file-TIDCD06.zip
PCB layout-TIDRP58.pdf
Schematic-TIDRP55.pdf
原理图PDF
全屏
评论
0 / 100
查看更多
